Качественные детали и логистика
Оригинальные и аналоговые запчасти с доставкой по России, Казахстану и Беларуси
©2022 PartSell ООО "Система" ИНН 2463123282 ОГРН 1212400004838
Центральный офис: г. Красноярск, Академика Киренского, д.87, пом.4
Телефон: 8 (800) 777-65-74 Email: zakaz@partsell.ru
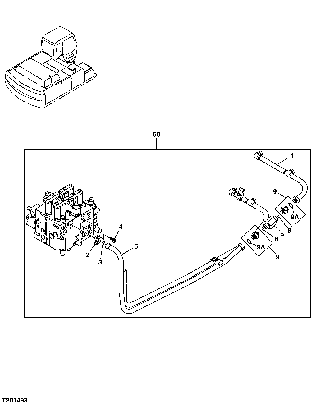
328 - BOOM BOTTOM LINES, SUPER LONG FRONT (330CLC)
№
Артикул
Название
Примечание
Количество
1
8073658
Pipe
1шт.
2
H61354
Flange Fitting
(SUB FOR 962453)
2шт.
3
966993
O-Ring
4
19M7576
Screw
M10 X 30 (SUB FOR J781030)
4шт.
5
8073657
6
9075046
Flow Control Hyd. Valve
8
T78612
(SUB FOR 4187329)
9
4205196
Adapter Fitting
9A
TH101926
(SUB FOR 4506429)
50
Kit
( AT314804 NLA) Super Long Front
Выбрано товаров: 0