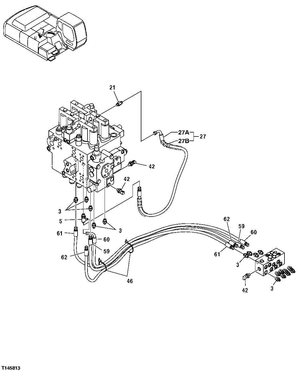
Запчасти John Deere 30CLC 349 - PILOT LINES (CONTROL VALVE TO FLOW REGULATOR VALVE) 3360 HYDRAULIC SYSTEM

Схема запчастей John Deere 30CLC - 349 - PILOT LINES (CONTROL VALVE TO FLOW REGULATOR VALVE) 3360 HYDRAULIC SYSTEM
FIT
1:1
100%

Артикул

Название

Примечание

Количество

3

A852133

Adapter Fitting

SUB FOR P67978

17шт.

3A

CH11570

O-Ring

(NOT ILLUSTRATED)

1шт.

5

A852433

Tee Fitting

SUB FOR THA852433

1шт.

5A

CH11570

O-Ring

(NOT ILLUSTRATED)

1шт.

21

4200467

Adapter Fitting

SUB FOR TH108417

1шт.

21A

M800650

Packing

(NOT ILLUSTRATED)

1шт.

27

Hydraulic Hose

( TH9190867 NOT AVAILABLE)

1шт.

27A

4437738

Hydraulic Hose

SUB FOR TH4437738

1шт.

27B

4327315

Hose Guard

4327293 NLA SUB FOR AT213831

1шт.

42

4436535

Sensor

SUB FOR TH4436535

3шт.

46

H77698

Tie Band

2шт.

59

4456549

Hydraulic Hose

SUB FOR TH4456549

1шт.

60

4446129

Hydraulic Hose

SUB FOR TH4446129

1шт.

61

4437731

Hydraulic Hose

SUB FOR TH4437731

1шт.

62

4456553

Hydraulic Hose

SUB FOR TH4456553

1шт.

Выбрано товаров: 15