Запчасти John Deere 30LC/370 97 - Air Cleaner 0520 Intake System

Схема запчастей John Deere 30LC/370 - 97 - Air Cleaner 0520 Intake System
FIT
1:1
100%

Артикул

Название

Примечание

Количество

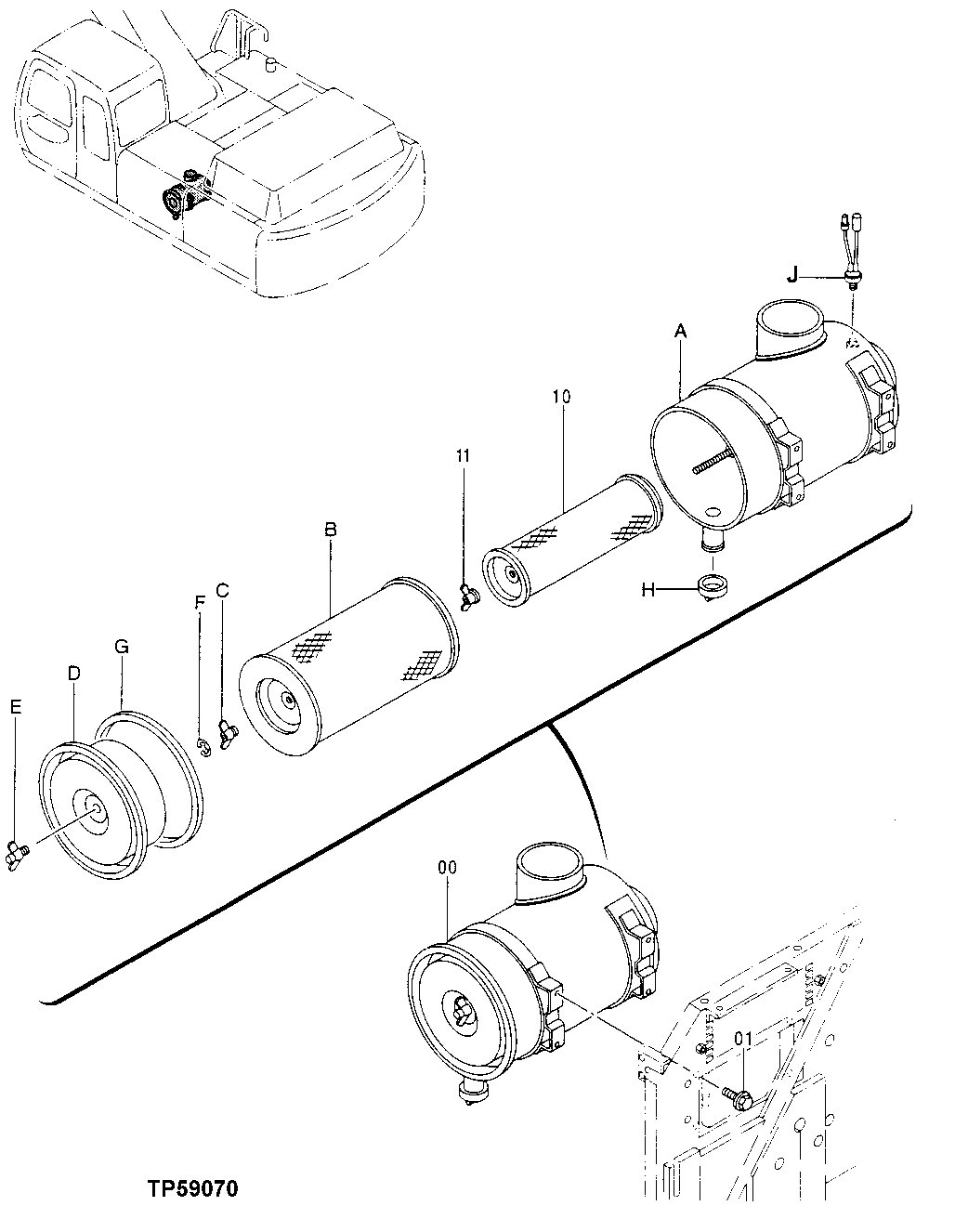
0

4403665

Air Cleaner

(SUB FOR AT250132)

1шт.

0A

Housing

1шт.

0B

AR95758

Filter Element

(OUTER)

1шт.

0C

4257360

Nut

(SUB FOR AT200998)

1шт.

0D

4297292

Cover

(SUB FOR AT201034)

1шт.

0E

AR73234

Wing Nut

11.125 mm (7/16")

1шт.

0F

P46402

Snap Ring

1шт.

0G

4257362

Gasket

(SUB FOR AT200999)

1шт.

0H

4152863

Flow Control Hyd. Valve

(SUB FOR TH111700)

1шт.

0J

4321969

Indicator

(SUB FOR AT201069)

1шт.

1

19M7402

Cap Screw

M10 X 25

4шт.

12M7066

Lock Washer

10 mm

4шт.

24M7028

Washer

10.500 X 20 X 2 mm

4шт.

10

AT201036

Filter Element

(INNER)

1шт.

11

AH20849

Wing Nut

11.125 mm (7/16")

1шт.

Выбрано товаров: 15