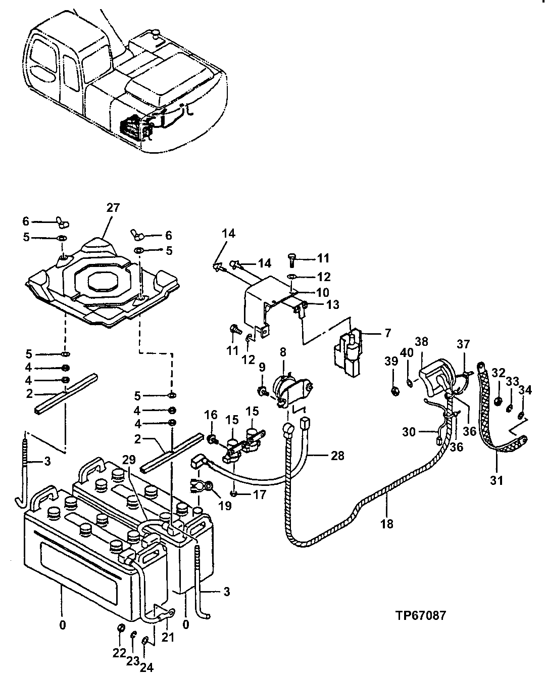
Запчасти John Deere 30LC/370 116 - ELECTRIC PARTS 1674 Wiring Harness And Switches

Схема запчастей John Deere 30LC/370 - 116 - ELECTRIC PARTS 1674 Wiring Harness And Switches
FIT
1:1
100%

Артикул

Название

Примечание

Количество

0

TY23020

Dry Charged Battery

SUB FOR AT184083 OR TY2 1709 Replacement Battery

2шт.

2

4405803

Support

SUB FOR AT250148

2шт.

3

4257034

Hook Bolt

SUB FOR AT155273

2шт.

4

14M7274

Nut

M10

4шт.

5

24M7028

Washer

10.500 X 20 X 2 mm

4шт.

6

14M7025

Wing Nut

M10

2шт.

7

4405815

Sensor

SUB FOR AT186241

1шт.

8

8943795431

Relay

SUB FOR 4255762 AND AT154229 Battery

1шт.

9

19M7513

Cap Screw

M8 X 30

2шт.

10

3056019

Cover

SUB FOR AT154139

1шт.

11

19M7932

Cap Screw

M8 X 16

3шт.

Washer

12M7065 NLA

3шт.

12

24M7055

Washer

8.400 X 16 X 1.600 mm

3шт.

13

9751069

Bracket

SUB FOR AT186242

1шт.

14

19M8425

Cap Screw

M6 X 16 SUB FOR 4181729, AL ONG WITH 12M7006 AND 24M7054

2шт.

15

AT145341

Relay

ALSO REQUIRES (2) 14M7165 FOR EACH RELAY

2шт.

14M7165

Lock Nut

M6

2шт.

16

19M7077

Cap Screw

M6 X 20

4шт.

12M7006

Lock Washer

6 mm

4шт.

24M7293

Washer

6.500 X 13 X 1.600 mm

4шт.

17

14M7272

Nut

M6

4шт.

18

4404447

Jumper

SUB FOR AT250141 Starter To Battery Relay

1шт.

19

AT219485

Clamp

BATTERY TERMINAL CLAMPS

4шт.

21

AR45925

Battery Cable

482.600 mm (19") Ground Strap

1шт.

22

14M7274

Nut

M10

1шт.

23

12M7066

Lock Washer

10 mm

1шт.

24

24M7028

Washer

10.500 X 20 X 2 mm

1шт.

27

4386066

Cover

SUB FOR AT250048

1шт.

28

4390098

Battery Cable

SUB FOR AT250086 Battery To Battery Relay

1шт.

29

4350736

Battery Cable

SUB FOR AT213948 Battery To Battery

1шт.

30

4448296

Wiring Harness

SUB FOR AT155617 Starter

1шт.

31

AT38449

Ground Cable

1шт.

32

14M7274

Nut

M10

1шт.

33

12M7066

Lock Washer

10 mm

1шт.

34

24M7028

Washer

10.500 X 20 X 2 mm

1шт.

36

H77698

Tie Band

2шт.

37

H77698

Tie Band

1шт.

38

Cover

SUB RE41759 Starter

1шт.

39

14H631

Nut

0.190"

1шт.

40

12M7060

Washer

5.300 mm

1шт.

Выбрано товаров: 0