Качественные детали и логистика
Оригинальные и аналоговые запчасти с доставкой по России, Казахстану и Беларуси
©2022 PartSell ООО "Система" ИНН 2463123282 ОГРН 1212400004838
Центральный офис: г. Красноярск, Академика Киренского, д.87, пом.4
Телефон: 8 (800) 777-65-74 Email: zakaz@partsell.ru
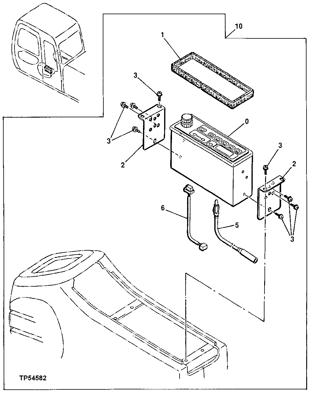
149 - Radio
№
Артикул
Название
Примечание
Количество
0
FYA00010751
Radio
SUB FOR 4728505, 4613913, A T214430, 4351187 OR 4640468
1шт.
1
4368973
Isolator
SUB FOR AT215533
2
4341706
Bracket
SUB FOR AT213883
2шт.
3
19M7700
Cap Screw
M5 X 10
10шт.
12M7064
Lock Washer
5 mm
24M7348
Washer
5.500 X 10 X 1 mm
5
4321872
Wiring Harness
SUB FOR 4102096
6
2037305
AT215479)
10
Radio Kit
; AT181125 NLA
Выбрано товаров: 0