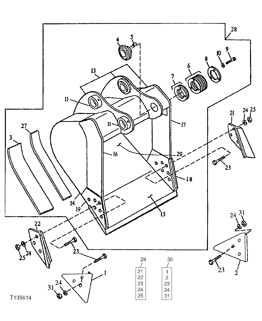
Запчасти John Deere 30LC/370 212 - General Purpose Bucket (48, 54, 60 in.) (Also Order Bucket Tooth Assemblies) 3302 BUCKETS, TEETH, SHANKS AND SIDECUTTERS

Схема запчастей John Deere 30LC/370 - 212 - General Purpose Bucket (48, 54, 60 in.) (Also Order Bucket Tooth Assemblies) 3302 BUCKETS, TEETH, SHANKS AND SIDECUTTERS
FIT
1:1
100%

Артикул

Название

Примечание

Количество

1

Shroud

(B) (RIGHT EDGE PROTECTOR)

1шт.

2

Shroud

(B) (LEFT EDGE PROTECTOR)

1шт.

3

307048

Bar

(C) (OUTER WEAR)

2шт.

4

4143522

Bushing

(SUB FOR TH103234)

1шт.

5

4179110

Pin

(SUB FOR TH103520)

1шт.

6

4143524

Washer

(SUB FOR TH103235)(1 MM)

6шт.

7

4143525

Shim

(SUB FOR TH103236)(.5 MM)

2шт.

8

TH103237

Plate

1шт.

9

19H2706

Cap Screw

5/8" X 2"

3шт.

10

12H294

Lock Washer

5/8"

3шт.

11

Plate

( TH103198 NLA)

2шт.

13

C606071

Pivot

(C) (BUCKET EAR BLANK ASSEMBLY)

1шт.

14

307047

Plate

(C) (RIGHT AND LEFT SIDE)

2шт.

15

AT131090

Dura-Max Cutting Edge

(CUT TO LENGTH)

1шт.

16

300483

Vertical Cutter

(C) (UPPER RIGHT SIDE CUTTER)

1шт.

17

300484

Vertical Cutter

(C) (UPPER LEFT SIDE CUTTER)

1шт.

18

300482

Vertical Cutter

(C) (LEFT SIDE CUTTER INSERT)

1шт.

19

300481

Vertical Cutter

(C) (RIGHT SIDE CUTTER INSERT)

1шт.

304567

Vertical Cutter

(C) (RIGHT SIDE CUTTER INSERT)

1шт.

20

600292

Moldboard

(C) (48 INCH)

1шт.

600915

Moldboard

(C) (54 INCH)

1шт.

600916

Moldboard

(C) (60 INCH)

1шт.

21

Cutting Edge

(A) (LEFT HAND SIDE CUTTER)

1шт.

22

Cutting Edge

(A) (RIGHT HAND SIDE CUTTER)

1шт.

23

09H1770

Bolt

(A) (B) 7/8" X 2-1/2"

6шт.

24

12H245

Lock Washer

(A) (B) 7/8"

6шт.

25

14H1077

Nut

(A) 7/8"

6шт.

27

300479

Bar

(C) (INNER WEAR)

2шт.

28

Excavator Bucket

(SUB AT332721)( AT163659 NLA) (48 INCH - 2.03 CUBIC YARD) (AVAILABLE TOOTH ASSEMBLIES ON SEPARATE PAGE)

1шт.

Excavator Bucket

(SUB AT332722)( AT163660 NLA) (54 INCH - 2.30 CUBIC YARD) (AVAILABLE TOOTH ASSEMBLIES ON SEPARATE PAGE)

1шт.

Excavator Bucket

(SUB AT332723)( AT163661 NLA) (60 INCH - 2.59 CUBIC YARD) (AVAILABLE TOOTH ASSEMBLIES ON SEPARATE PAGE)

1шт.

29

Kit

( AT131080 NLA) (SIDE CUTTER KIT) (I NCLUDES PARTS MARKED (A)) WHOLEGOODS

1шт.

30

Kit

( AT167874 NLA) (EDGE PROTECTOR KIT) ( INCLUDES PARTS MARKED (B)) WHOLEGOODS

1шт.

31

14H1044

Nut

(B) 7/8"

6шт.

Выбрано товаров: 34