Запчасти John Deere 30LC/370 220 - Heavy Duty Bucket 3302 BUCKETS, TEETH, SHANKS AND SIDECUTTERS

Схема запчастей John Deere 30LC/370 - 220 - Heavy Duty Bucket 3302 BUCKETS, TEETH, SHANKS AND SIDECUTTERS
FIT
1:1
100%

Артикул

Название

Примечание

Количество

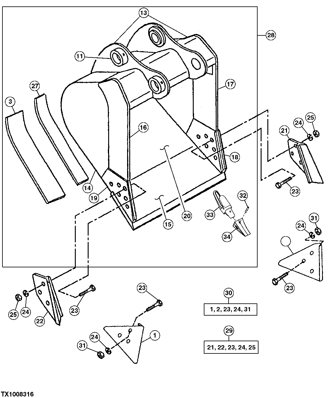
1

Shroud

(B) (RH)

1шт.

2

Shroud

(B) (LH)

1шт.

3

304559

Bar

(F) (WEAR) (OUTER)(36 OR 54 INCH)

2шт.

304579

Bar

(F) (WEAR) (OUTER)(42 OR 48 INCH)

2шт.

11

Plate

( TH103198 NLA)

2шт.

13

C606071

Pivot

(F) (BUCKET EAR BLANK ASSEMBLY)

1шт.

14

306995

Plate

(F) (RH / LH)(36 AND 54 INCH)

2шт.

304578

Plate

(F) (RH / LH))(42 AND 48 INCH)

2шт.

15

AT131097

Dura-Max Cutting Edge

(CUT TO LENGTH)

1шт.

16

300283

Vertical Cutter

(F) (UPPER RH)(36 OR 54 INCH)

1шт.

301025

Vertical Cutter

(F) (UPPER RH)(42 OR 48 INCH)

1шт.

17

300284

Vertical Cutter

(F) (UPPER LH)(36 OR 54 INCH)

1шт.

301026

Vertical Cutter

(F) (UPPER LH)(42 OR 48 INCH)

1шт.

18

304568

Vertical Cutter

(F) (LH)(36 OR 54 INCH)

1шт.

304577

Vertical Cutter

(F) (LH)(42 OR 48 INCH)

1шт.

19

304567

Vertical Cutter

(F) (RH)(36 OR 54 INCH)

1шт.

304576

Vertical Cutter

(F) (RH)(42 OR 48 INCH)

1шт.

20

600167

Moldboard

(F) (36 INCH)

1шт.

600542

Moldboard

(F) (42 INCH)

1шт.

600543

Moldboard

(F) (48 INCH)

1шт.

600971

Moldboard

(F) (54 INCH)

1шт.

21

Cutting Edge

(A) (LH)

1шт.

22

Cutting Edge

(A) (RH)

1шт.

23

09H1771

Bolt

(A) (B) 7/8" X 3"

6шт.

24

12H245

Lock Washer

(A) (B) 7/8"

6шт.

25

14H1077

Nut

(A) 7/8"

6шт.

27

300291

Bar

(F) (WEAR) (INNER)(36 OR 54 INCH)

2шт.

301024

Bar

(F) (WEAR) (INNER)(42 OR 48 INCH)

2шт.

28

Excavator Bucket

(SUB FOR AT163663)( AT332727 N LA) (36 INCH - 1.48 CUBIC YARD)

1шт.

Excavator Bucket

(SUB FOR AT167296)( AT332728 N LA) (42 INCH - 1.75 CUBIC YARD)

1шт.

Excavator Bucket

(SUB FOR AT167297)( A332729 NL A) (48 INCH - 2.03 CUBIC YARD)

1шт.

Excavator Bucket

(SUB FOR AT163666)( AT332730 N LA) (54 INCH - 2.30 CUBIC YARD)

1шт.

29

Kit

(SIDECUTTER) (INCLUDES PARTS MARKED (A)) ( AT131085 NLA)

1шт.

30

Kit

(EDGE PROTECTOR) (INCLUDES PAR TS MARKED (B)) ( AT167876 NLA)

1шт.

31

14H1044

Nut

(B) 7/8"

6шт.

32

TP400HD

Pin

ARшт.

33

T802X400

Bucket Tooth Adapter

ARшт.

34

TF400

Tooth

ARшт.

Выбрано товаров: 38