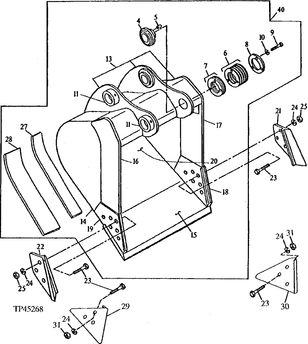
Запчасти John Deere 30LC/370 222 - Bucket (Heavy Duty High Capacity) (Also Order Bucket Tooth Assemblies) 3302 BUCKETS, TEETH, SHANKS AND SIDECUTTERS

Схема запчастей John Deere 30LC/370 - 222 - Bucket (Heavy Duty High Capacity) (Also Order Bucket Tooth Assemblies) 3302 BUCKETS, TEETH, SHANKS AND SIDECUTTERS
FIT
1:1
100%

Артикул

Название

Примечание

Количество

4

4143522

Bushing

(SUB FOR TH103234)

1шт.

5

4179110

Pin

(SUB FOR TH103520)

1шт.

6

4143524

Washer

(SUB FOR TH103235)(1 MM)

6шт.

7

4143525

Shim

(SUB FOR TH103236)(.5 MM)

2шт.

8

TH103237

Plate

1шт.

9

19H2706

Cap Screw

5/8" X 2"

3шт.

10

12H294

Lock Washer

5/8"

3шт.

11

Plate

( TH103198 NLA)

2шт.

13

C606071

Pivot

(F) (BUCKET EAR BLANK ASSEMBLY)

1шт.

14

306995

Plate

(F) (RIGHT AND LEFT SIDE - 36 INCH AND 54 INCH BUCKETS)

2шт.

304578

Plate

(F) (RIGHT AND LEFT SIDE - 42 INCH AND 48 INCH BUCKETS)

2шт.

15

AT131097

Dura-Max Cutting Edge

(CUT TO LENGTH)

1шт.

16

300283

Vertical Cutter

(F) (UPPER RIGHT SIDE CUTTER - 36 INCH OR 54 INCH BUCKET)

1шт.

301025

Vertical Cutter

(F) (UPPER RIGHT SIDE CUTTER - 42 INCH OR 48 INCH BUCKET)

1шт.

17

300284

Vertical Cutter

(F) (UPPER LEFT SIDE CUTTER - 36 INCH OR 54 INCH BUCKET)

1шт.

301026

Vertical Cutter

(F) (UPPER LEFT SIDE CUTTER - 42 INCH OR 48 INCH BUCKET)

1шт.

18

304568

Vertical Cutter

(F) (LEFT SIDE CUTTER INSERT - 36 INCH OR 54 INCH BUCKET)

1шт.

304577

Vertical Cutter

(F) (LEFT SIDE CUTTER INSERT - 42 INCH OR 48 INCH BUCKET)

1шт.

19

304567

Vertical Cutter

(F) (RIGHT SIDE CUTTER INSER T - 36 INCH OR 54 INCH BUCKET)

1шт.

304576

Vertical Cutter

(F) (RIGHT SIDE CUTTER INSER T - 42 INCH OR 48 INCH BUCKET)

1шт.

20

600167

Moldboard

(F) (36 INCH)

1шт.

600542

Moldboard

(F) (42 INCH)

1шт.

600543

Moldboard

(F) (48 INCH)

1шт.

600971

Moldboard

(F) (54 INCH)

1шт.

Выбрано товаров: 24