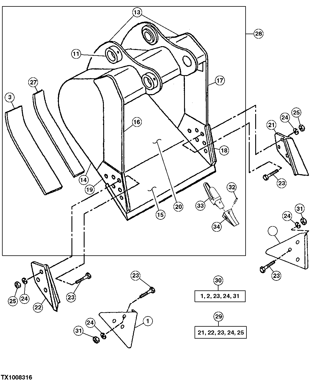
Запчасти John Deere 30LC/370 224 - Heavy Duty High Capacity Bucket 3302 BUCKETS, TEETH, SHANKS AND SIDECUTTERS

Схема запчастей John Deere 30LC/370 - 224 - Heavy Duty High Capacity Bucket 3302 BUCKETS, TEETH, SHANKS AND SIDECUTTERS
FIT
1:1
100%

Артикул

Название

Примечание

Количество

1

Shroud

(B) (RH)

1шт.

2

Shroud

(B) (LH)

1шт.

3

304559

Bar

(F) (OUTER) (WEAR) (36 OR 54 INCH)

2шт.

304579

Bar

(F) (OUTER WEAR - 42 INCH OR 48 INCH BUCKET)

2шт.

11

Plate

( TH103198 NLA)

2шт.

13

C606071

Pivot

(F) (BUCKET EAR BLANK ASSEMBLY)

1шт.

14

306995

Plate

(F) (RH / LH) - 36 AND 54 INCH)

2шт.

304578

Plate

(F) (RH / LH) - 42 AND 48 INCH)

2шт.

15

AT131097

Dura-Max Cutting Edge

(CUT TO LENGTH)

1шт.

16

300283

Vertical Cutter

(F) (UPPER RH) - 36 OR 54 INCH

1шт.

301025

Vertical Cutter

(F) (UPPER RH) - 42 OR 48 INCH

1шт.

17

300284

Vertical Cutter

(F) (UPPER LH) - 36 OR 54 INCH

1шт.

301026

Vertical Cutter

(F) (UPPER LH) - 42 OR 48 INCH

1шт.

18

304568

Vertical Cutter

(F) (LH) - 36 OR 54 INCH

1шт.

304577

Vertical Cutter

(F) (LH) - 42 OR 48 INCH

1шт.

19

304567

Vertical Cutter

(F) (RH) - 36 OR 54 INCH

1шт.

304576

Vertical Cutter

(F) (RH) - 42 OR 48 INCH

1шт.

20

600167

Moldboard

(F) (36 INCH)

1шт.

600542

Moldboard

(F) (42 INCH)

1шт.

600543

Moldboard

(F) (48 INCH)

1шт.

600971

Moldboard

(F) (54 INCH)

1шт.

21

Cutting Edge

(A) (LH)

1шт.

22

Cutting Edge

(A) (RH)

1шт.

23

09H1771

Bolt

(A) (B) 7/8" X 3"

6шт.

24

12H245

Lock Washer

(A) (B) 7/8"

6шт.

25

14H1077

Nut

(A) 7/8"

6шт.

27

300291

Bar

(F) (INNER) (WEAR) 36 OR 54 INCH

2шт.

301024

Bar

(F) (INNER) (WEAR) 42 OR 48 INCH

2шт.

28

Excavator Bucket

(SUB FOR AT163662)( AT332731 NLA) (30 IN CH - 1.26 CUBIC YARD) (REQUIRES 4 TEETH)

1шт.

Excavator Bucket

(SUB FOR AT167298 ) (SUB AT3392 25)( AT332732 NLA) (36 INCH - 1. 56 CUBIC YARD) (REQUIRES 4 TEETH )

1шт.

Excavator Bucket

(SUB FOR AT163664 ) (SUB AT3392 27)( AT332733 NLA) (42 INCH - 1. 85 CUBIC YARD) (REQUIRES 5 TEETH )

1шт.

Excavator Bucket

(SUB FOR AT163665 ) (SUB AT3392 30)( AT332734 NLA) (48 INCH - 2. 15 CUBIC YARD) (REQUIRES 6 TEETH )

1шт.

Excavator Bucket

(SUB FOR AT167299 ) (SUB AT3392 32)( AT332735 NLA) (54 INCH - 2. 45 CUBIC YARD) (REQUIRES 6 TEETH )

1шт.

29

Kit

( AT131085 NLA) (SIDE CUTTER K IT) (INCLUDES PARTS MARKED (A))

1шт.

30

Kit

( AT167876 NLA) (EDGE PROTECTOR KIT) (INCLUDES PARTS MARKED (B))

1шт.

31

14H1044

Nut

(B) 7/8"

6шт.

32

TP400HD

Pin

ARшт.

33

T802X400

Bucket Tooth Adapter

ARшт.

34

TF400

Tooth

ARшт.

Выбрано товаров: 39