Запчасти John Deere 30LC/370 226 - Bucket (Severe Duty Cast Lip) Also Order Bucket Tooth Assemblies) 3302 BUCKETS, TEETH, SHANKS AND SIDECUTTERS

Схема запчастей John Deere 30LC/370 - 226 - Bucket (Severe Duty Cast Lip) Also Order Bucket Tooth Assemblies) 3302 BUCKETS, TEETH, SHANKS AND SIDECUTTERS
FIT
1:1
100%

Артикул

Название

Примечание

Количество

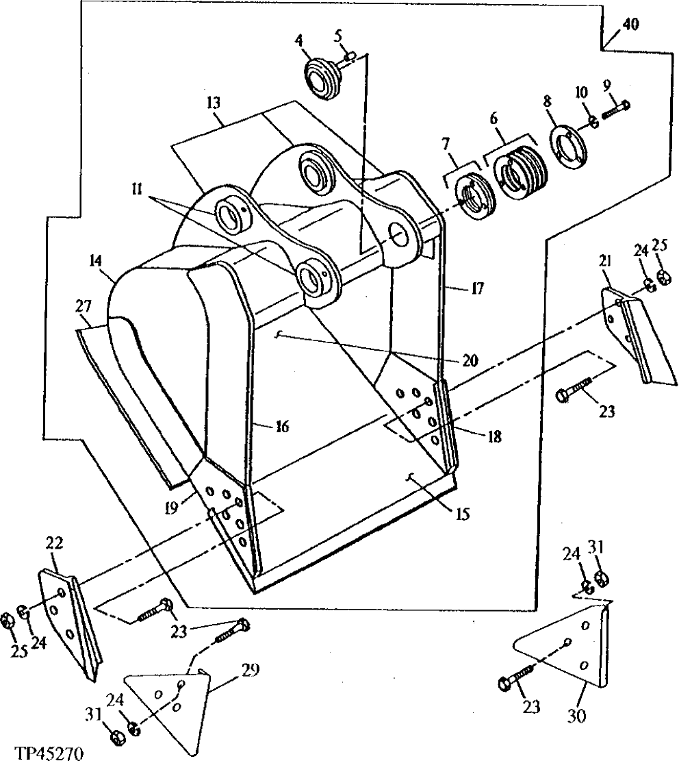
4

4143522

Bushing

(SUB FOR TH103234)

1шт.

5

4179110

Pin

(SUB FOR TH103520)

1шт.

6

4143524

Washer

(SUB FOR TH103235)(1 MM)

6шт.

7

4143525

Shim

(SUB FOR TH103236)(.5 MM)

2шт.

8

TH103237

Plate

1шт.

9

19H2706

Cap Screw

5/8" X 2"

3шт.

10

12H294

Lock Washer

5/8"

3шт.

11

Plate

( TH103198 NLA)

2шт.

13

C606071

Pivot

(F) (BUCKET EAR BLANK ASSEMBLY)

1шт.

14

305189

Plate

(F) (RIGHT AND LEFT SIDE)

2шт.

15

Cutting Edge

(F) (USE WITH 42 INCH BUCKET) (CUT TO LENGTH) ( AT131094 NLA)

1шт.

Cutting Edge

(F) (USE WITH 48 INCH BUCKET) (CUT TO LENGTH) ( AT131095 NLA)

1шт.

16

300283

Vertical Cutter

(F) (UPPER RIGHT SIDE CUTTER)

1шт.

17

300284

Vertical Cutter

(F) (UPPER LEFT SIDE CUTTER)

1шт.

18

305187

Vertical Cutter

(F) (LEFT SIDE CUTTER INSERT)

1шт.

19

305186

Vertical Cutter

(F) (RIGHT SIDE CUTTER INSERT)

1шт.

20

600209

Moldboard

(F) (42 INCH)

1шт.

600210

Moldboard

(F) (48 INCH)

1шт.

21

Cutting Edge

(K) (SUB AT131085)

1шт.

22

Cutting Edge

(K) (SUB AT131085)

1шт.

23

09H1771

Bolt

(K) 7/8" X 3" (K2)

6шт.

24

12H245

Lock Washer

(K) 7/8" (K2)

6шт.

25

14H1077

Nut

(K) 7/8"

6шт.

27

605164

Bar

(F) (DOUBLE BOTTOM WEA R BAR - 42 INCH BUCKET)

1шт.

605165

Bar

(F) (DOUBLE BOTTOM WEA R BAR - 48 INCH BUCKET)

1шт.

29

Shroud

(WEAR SHROUD) (SUB AT167876 (K2))

1шт.

30

Shroud

(WEAR SHROUD) (SUB AT167876 (K2))

1шт.

31

14H1044

Nut

7/8" (K2)

6шт.

40

Excavator Bucket

( AT163667 NLA) (42 INCH - 1.75 CUBIC YARD) (AVAILABLE TOOTH ASSEMBLIES ON SEPARATE PAGE)

1шт.

Excavator Bucket

( AT163668 NLA) (48 INCH - 2.03 CUBIC YARD) (AVAILABLE TOOTH ASSEMBLIES ON SEPARATE PAGE)

1шт.

Выбрано товаров: 30