Запчасти John Deere 30LC/370 249 - Propel Pilot Valve 3315 Control Linkage

Схема запчастей John Deere 30LC/370 - 249 - Propel Pilot Valve 3315 Control Linkage
FIT
1:1
100%

Артикул

Название

Примечание

Количество

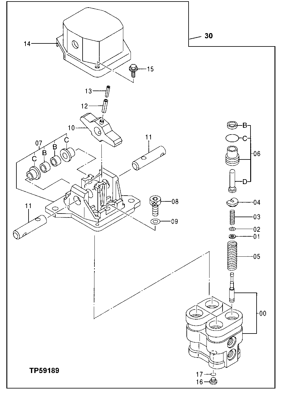
0

Housing

(SUB FOR AT216001)( 8063718 NLA)

1шт.

1

4319299

Spacer

(SUB FOR AT215885)

4шт.

2

4662206

Shim

(SUB FOR 4203411)

12шт.

3

4368629

Compression Spring

(SUB FOR AT215954)

4шт.

4

4364970

Guide

(SUB FOR AT215948)

4шт.

5

4368630

Compression Spring

(SUB FOR AT215955)

4шт.

6

9151724

Plunger

(41MM OD) (SUB FOR AT216016)

4шт.

6B

4447050

Seal

(SUB FOR 4335047 OR AT215897)

1шт.

6C

CH11562

O-Ring

1шт.

6D

3072517

Plunger

(SUB FOR AT215869)

1шт.

7

9144133

Holder

(SUB FOR AT216007)

1шт.

7B

4238834

Bushing

16.073 X 18.073 X 10 mm (0.633" X 0.712" X 0.394") (SUB FOR TH111963)

2шт.

7C

4274716

Bushing

(SUB FOR AT154947)

2шт.

8

19M7576

Screw

M10 X 30 (SUB FOR J781030)

2шт.

9

12M7066

Lock Washer

10 mm

2шт.

10

3072012

Cam

(SUB FOR AT181980)

2шт.

11

4190983

Pin Fastener

16 X 68 mm (0.630" X 2. 677") (SUB FOR TH109244)

2шт.

12

34M7225

Spring Pin

8 X 28 mm (SUB FOR 34M6402)

2шт.

13

4213419

Spring Pin

4.750 X 28 mm (3/16" X 1 .102") (SUB FOR TH111654)

2шт.

14

2037988

Cover

(SUB FOR AT215851)

1шт.

15

19M7923

Cap Screw

M6 X 12

2шт.

12M7006

Lock Washer

6 mm

2шт.

24M7054

Washer

6.400 X 12 X 1.600 mm

2шт.

16

4208977

Drain Plug

(SUB FOR TH111351)

1шт.

17

CH11561

Packing

1шт.

30

9169605

Hyd Actuated Control Valve

(SUB FOR AT250260)

1шт.

Выбрано товаров: 26