Запчасти John Deere 30LC/370 264 - RETURN PIPINGS 3360 HYDRAULIC SYSTEM

Схема запчастей John Deere 30LC/370 - 264 - RETURN PIPINGS 3360 HYDRAULIC SYSTEM
FIT
1:1
100%

Артикул

Название

Примечание

Количество

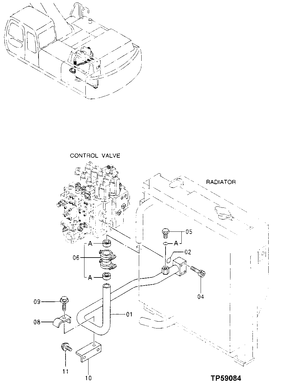
1

8070977

Oil Line

SUB FOR AT250227

1шт.

2

A811050

O-Ring

49.400 X 3.100 mm (1.945" X 0.122") SUB FOR TH101014

1шт.

4

19M9044

Screw

M12 X 80 SUB FOR J781280

4шт.

5

A885008

Pipe Plug

SUB FOR 4113926 AND AT126200

1шт.

5A

TH101926

O-Ring

28.700 X 3.500 mm (1.130" X 0.138")

1шт.

6

4067834

Coupling

SUB FOR TH102945

1шт.

6A

4196260

Seal

NLA, ORDER 4067834

2шт.

8

4053697

Clamp

SUB FOR TH101030

1шт.

9

19M7753

Cap Screw

M12 X 70

1шт.

12H301

Lock Washer

1/2"

1шт.

10

9748548

Bracket

SUB FOR AT250273

1шт.

11

19M7402

Cap Screw

M10 X 25

2шт.

12M7066

Lock Washer

10 mm

2шт.

24M7028

Washer

10.500 X 20 X 2 mm

2шт.

Выбрано товаров: 14