Запчасти John Deere 30LC/370 316 - BOOM CYLINDER LOAD LOWERING VALVE KIT 3360 HYDRAULIC SYSTEM

Схема запчастей John Deere 30LC/370 - 316 - BOOM CYLINDER LOAD LOWERING VALVE KIT 3360 HYDRAULIC SYSTEM
FIT
1:1
100%

Артикул

Название

Примечание

Количество

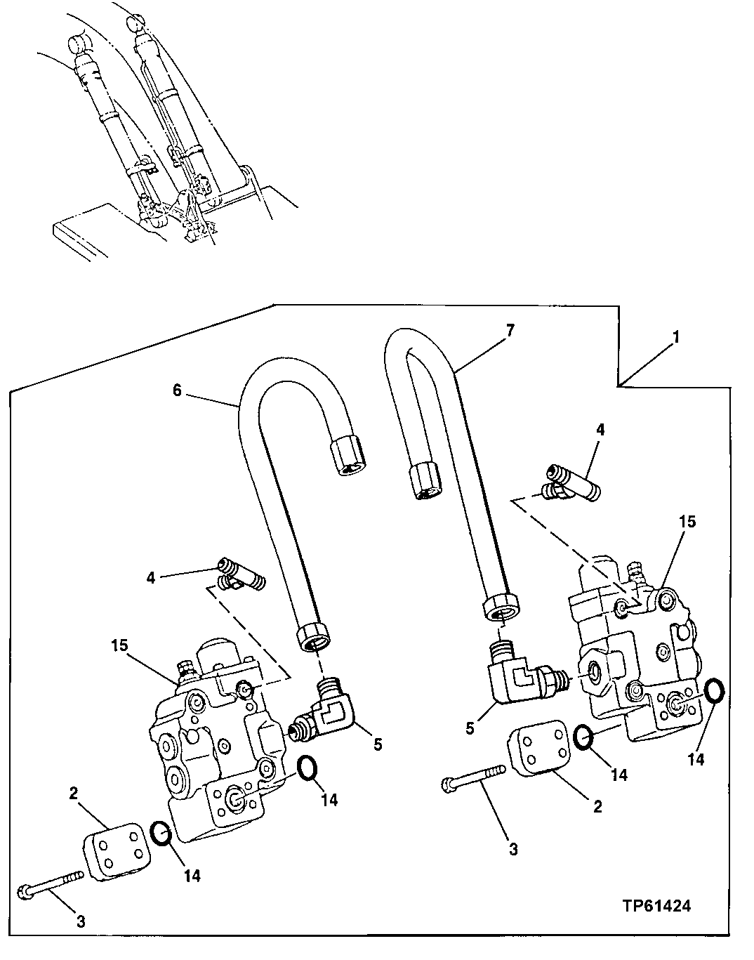
1

Kit

( AT184298 NO LONGER AVAILABLE) (BOO M CYLINDER LOAD LOWERING VALVE) (CONTA INS ALL ITEMS ON THIS PAGE - ADDITIONA L COMPONENTS LISTED ON FOLLOWING PAGES )

1шт.

2

3039864

Cover

(SUB FOR AT205822)

2шт.

3

4086072

Screw

(SUB FOR AT205828)

8шт.

4

4221272

Tee Fitting

(SUB FOR AT205862)

2шт.

5

4222074

Elbow Fitting

(SUB FOR AT205863)

2шт.

6

8071038

Oil Line

(SUB FOR AT184318)

1шт.

7

8071037

Oil Line

(SUB FOR AT184315)

1шт.

14

AT264324

O-Ring

(SUB FOR TH100044)

4шт.

15

4398513

Flow Control Hyd. Valve

(SUB FOR AT184313)

2шт.

Выбрано товаров: 9