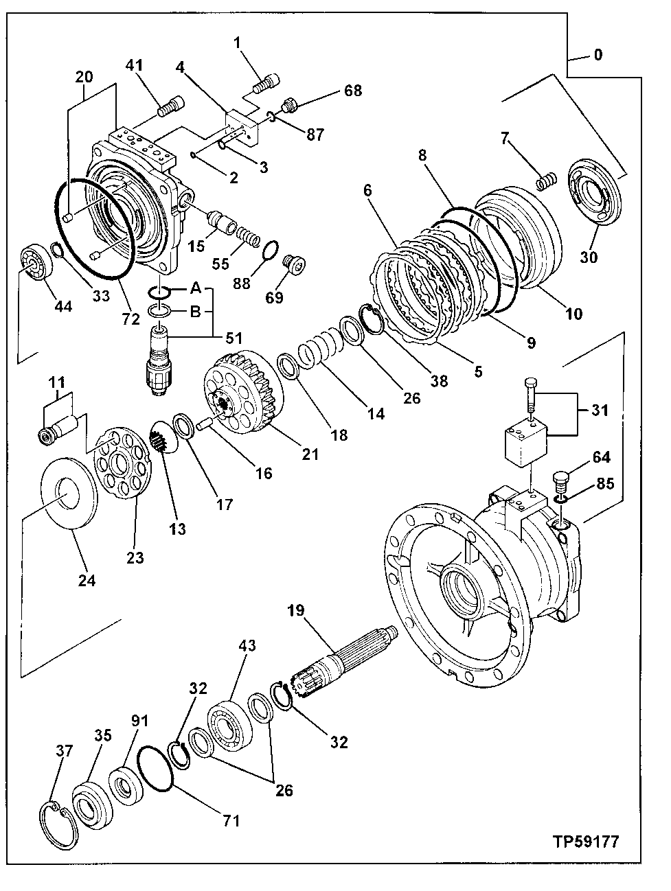
Запчасти John Deere 30LC/370 329 - Swing Motor 4360 Hydraulics

Схема запчастей John Deere 30LC/370 - 329 - Swing Motor 4360 Hydraulics
FIT
1:1
100%

Артикул

Название

Примечание

Количество

0

4371768EX

Hydraulic Motor Reman

REMANUFACTURED SUB FOR AT250010

1шт.

1

0150809

Screw

SUB FOR AT204900

4шт.

2

4506406

O-Ring

5.800 X 1.900 mm (0.228" X 0.075") SUB FOR TH104587

2шт.

3

CH10568

Packing

2шт.

4

0692710

Plate

SUB FOR AT217932

1шт.

5

0365429

Plate

SUB FOR TH112062

3шт.

6

0365428

Plate

SUB FOR TH112061

2шт.

7

0365331

Spring

SUB FOR TH112060

22шт.

8

0365427

O-Ring

221.840 X 3.530 mm (8-47/64" X 0.139") SUB FOR TH112059, 0411419, 4S00240 OR 4S01093

1шт.

9

U42016

O-Ring

202.794 X 3.531 mm (7-63/64" X 0.139")

1шт.

10

0365425

Piston

SUB FOR TH112057

1шт.

11

0365401

Piston

SUB FOR TH112029

9шт.

13

0365407

Bushing

SUB FOR TH112036

1шт.

14

0365408

Spring

SUB FOR TH112037

1шт.

15

0409215

Plunger

SUB FOR AT155198

2шт.

16

0365409

Pin

4.500 X 25.800 mm (0.177" X 1-1/64") SUB FOR TH112038

12шт.

17

0365410

Washer

47 X 58 X 1.500 mm (1.850" X 2. 283" X 0.059") SUB FOR TH112039

1шт.

18

0365411

Washer

47 X 61 X 3 mm (1.850" X 2.40 2" X 0.118") SUB FOR TH112040

1шт.

19

0365404

Shaft

SUB FOR TH112033

1шт.

20

0692702

Case

SUB FOR AT217924

1шт.

21

0496104

Cylinder

SUB FOR AT167737

1шт.

23

0365412

Pressed Flanged Housing

SUB FOR TH112041

1шт.

24

0692705

Plate

SUB FOR AT217927

1шт.

26

0365405

Washer

50 X 61 X 3 mm (1-31/32" X 2.4 02" X 0.118") SUB FOR TH112034

3шт.

30

0719603

Port Plate

SUB FOR AT219570

1шт.

31

0719601

Flow Control Hyd. Valve

SUB FOR AT219568

1шт.

31A

4506412

Packing

Between Valve Block an d Motor Not Illustrated

2шт.

4506406

O-Ring

5.800 X 1.900 mm (0.228" X 0.075") Betwe en Valve Block and Motor Not Illustrated

2шт.

32

40M7166

Snap Ring

2шт.

33

40M7195

Snap Ring

1шт.

35

0365416

Cover

SUB FOR TH112045

1шт.

37

Z973069

Snap Ring

SUB FOR AT132424

1шт.

38

40M7043

Snap Ring

1шт.

41

0365417

Screw

SUB FOR TH112046

4шт.

43

AT132384

Cylindrical Roller Bearing

1шт.

44

0365324

Bearing

SUB FOR TH112052

1шт.

51

0719602

Pressure Relief Valve

SUB FOR AT219569

2шт.

51A

A811030

O-Ring

29.400 X 3.100 mm (1.157" X 0.122") SUB FOR TH101300

1шт.

51B

4284569

Back-Up Ring

SUB FOR AT168851 OR 4S01077

1шт.

55

0409216

Spring

SUB FOR AT155199

2шт.

64

0629404

Fitting Plug

SUB FOR AT213630

1шт.

68

0629404

Fitting Plug

SUB FOR AT213630

2шт.

69

0692708

Fitting Plug

SUB FOR AT217930

2шт.

71

AT264320

O-Ring

109.400 X 3.100 mm (4.307" X 0.122") SUB FOR T110448

1шт.

72

0692709

O-Ring

SUB FOR AT217931 OR 4S00217

1шт.

85

M800650

Packing

1шт.

87

M800650

Packing

2шт.

88

AT264347

O-Ring

SUB FOR TH100136 OR 4506428

2шт.

91

0251914

Seal

SUB FOR TH109952

1шт.

Выбрано товаров: 49