Запчасти John Deere 30LC/370 66 - WATER PUMP AND INLET 0400 Engine 6081HT001-RG26768 6081HT001

Схема запчастей John Deere 30LC/370 - 66 - WATER PUMP AND INLET 0400 Engine 6081HT001-RG26768 6081HT001
FIT
1:1
100%

Артикул

Название

Примечание

Количество

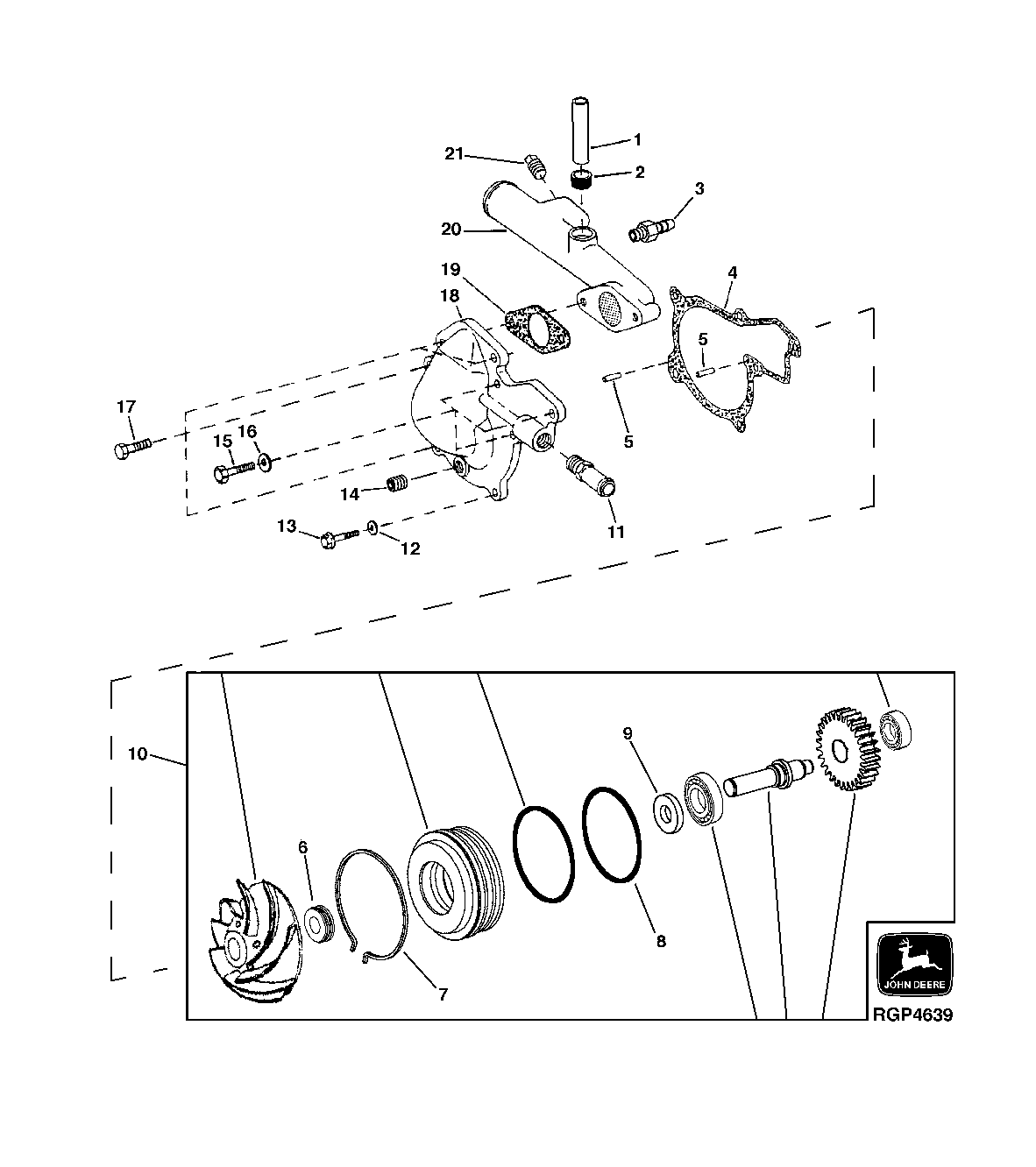
1

R125025

Tube

(USE WITH R124742)

1шт.

RE509095

Tube

(USE WITH R503445)

1шт.

2

RE57190

Seal

(USE WITH R124742)

1шт.

R504810

O-Ring

(USE WITH R503445)

1шт.

3

Hose Fitting

NAшт.

4

R119383

Gasket

1шт.

5

R11086

Dowel Pin

2шт.

6

RE69844

Pump Repair Kit

(SUB RE502154, THIS APPLI CATION) (WATER PUMP SEAL)

1шт.

7

R121316

Ring

(RETAINING)

1шт.

8

R122430

O-Ring

2шт.

RE502154

Kit

(CONTAINS RETAINING RING AND (2) O-RINGS)

1шт.

9

RE39134

Seal

(OIL)

1шт.

10

RE57154

Water Pump

(MARKED R119795)

1шт.

RE521502

Pump Kit

(MARKED R503501) (SUB F OR RE509598OR RE532596)

1шт.

SE501596

Water Pump Reman

(REMAN FOR RE521502)

1шт.

11

Hose Fitting

NAшт.

RE57836

Pipe Plug

12.700 mm (1/2") (SUB FOR 15H624)

1шт.

12

24H1136

Washer

11/32" X 11/16" X 0.065" (WAT ER PUMP INLET TO COVER SCREWS)

1шт.

13

19H1897

Cap Screw

5/16" X 3-3/4"

1шт.

14

Pipe Plug

NAшт.

AT13740

Drain Valve

1шт.

15

19H1854

Cap Screw

3/8" X 3-3/4"

3шт.

16

24M7096

Washer

10.500 X 18 X 1.600 mm

3шт.

17

19H3411

Screw

3/8" X 1-1/8" (WATER PUMP COVER TO TIMING GEAR COVER)

2шт.

19H3239

Cap Screw

3/8" X 1-1/4" (WATER PUMP INLET TO COVER)

2шт.

24H1136

Washer

11/32" X 11/16" X 0.065"

2шт.

18

R124741

Cover

(USE WITH R124742) (RIGHT HAND)

1шт.

RE506689

Cover

(MARKEDR503445 )(ONE PIECE)

1шт.

19

R125072

Gasket

1шт.

20

R124742

Housing

(USE WITH R124741)

1шт.

21

15H584

Pipe Plug

1/2"

1шт.

15H685

Pipe Plug

1/4" (WATER PUMP INLET)

1шт.

Выбрано товаров: 32