Запчасти John Deere 330LC, 370 141 - RESERVE HYDRAULIC TANK 2164A Hydraulic Reservoir, Filter & Cooler

Схема запчастей John Deere 330LC, 370 - 141 - RESERVE HYDRAULIC TANK 2164A Hydraulic Reservoir, Filter & Cooler
FIT
1:1
100%

Артикул

Название

Примечание

Количество

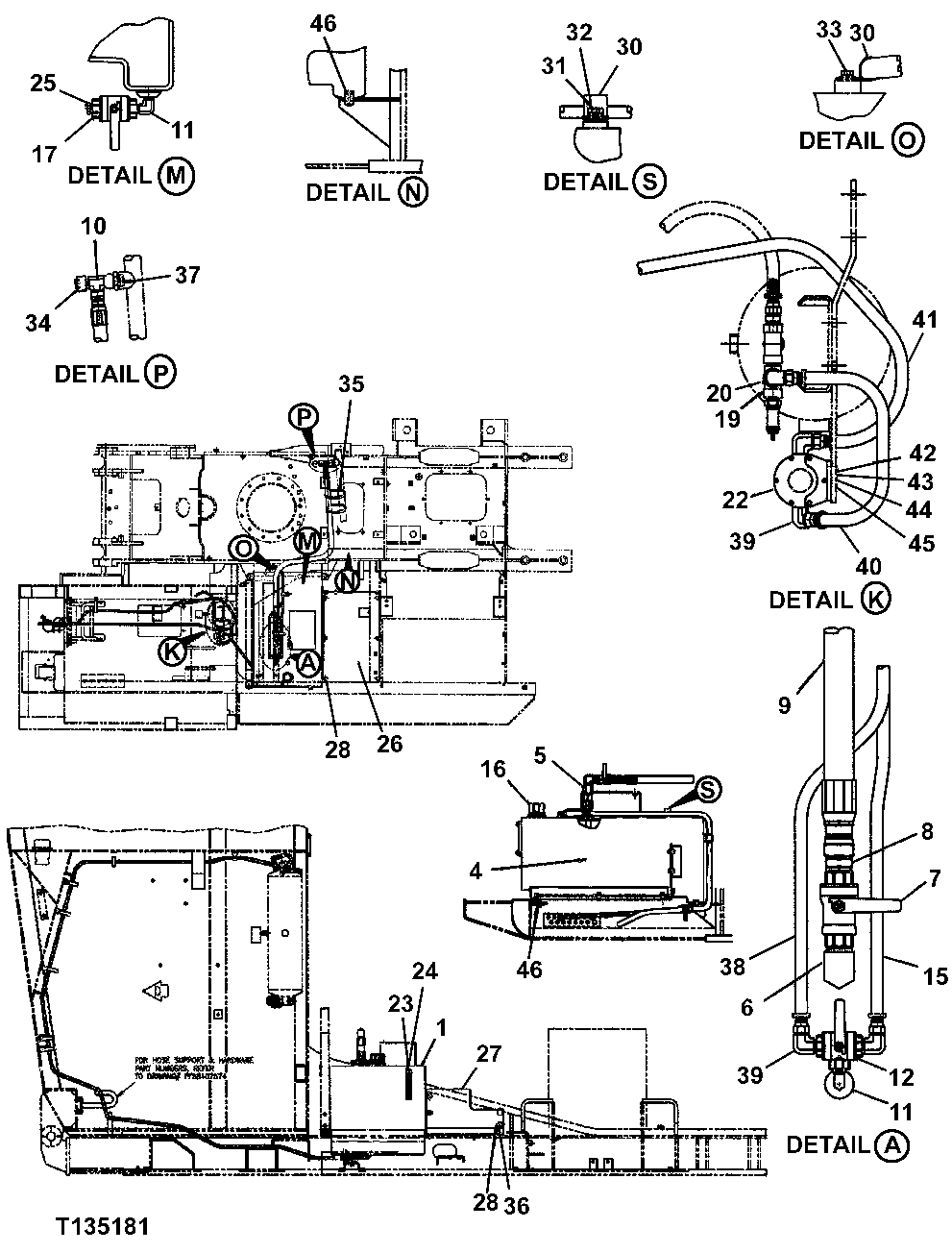
1

FFSB105348

Hydraulic Reservoir

1шт.

4

FFSB104701

Tube

1шт.

5

FFSB105279

Check Valve

1шт.

6

X1CR-S

Elbow Fitting

1шт.

7

FFSB106672

Hand Operated Valve

1шт.

8

X16FTX-S

Adapter Fitting

1шт.

9

FFSB106591

Hydraulic Hose

1шт.

10

X16R6X-S

Tee Fitting

(SUB FOR FFSB107309)

1шт.

11

X1/4CR-S

Elbow Fitting

2шт.

12

FFSB106673

Hand Operated Valve

1шт.

15

FFSB106598

Hydraulic Hose

1шт.

16

FFSB105399

Breather

1шт.

17

FFSB106296

Flow Control Hyd. Valve

1шт.

19

X3/8MRO-S

Tee Fitting

1шт.

20

X6-6CTX-S

Elbow Fitting

1шт.

22

FFSB106674

Hyd Actuated Control Valve

1шт.

23

8053499

Level Gauge

(SUB FOR TH108293)

1шт.

24

449558

Washer

(SUB FOR TH100675)

4шт.

25

X1/4HP-S

Fitting Plug

(SUB FOR X01CP-4)

1шт.

26

FFSB107204

Plate

1шт.

27

FFSB107222

Cover

1шт.

28

19M7402

Cap Screw

M10 X 25

11шт.

30

AT119290

Hose Clamp

2шт.

31

19M8017

Cap Screw

M12 X 20 (SUB FOR AT200005 OR J011220 USE ALONG WITH 12M7067)

1шт.

12M7067

Lock Washer

12 mm

1шт.

32

24M7047

Washer

13 X 24 X 2.500 mm

1шт.

33

19M8324

Cap Screw

M10 X 16

1шт.

12M7066

Lock Washer

10 mm

1шт.

19M7402

Cap Screw

M10 X 25

1шт.

34

X06CP-16

Fitting

1шт.

35

MT765

Tie Band

2шт.

36

24M7136

Washer

10.500 X 27 X 2 mm

11шт.

37

F005095

Fitting

1шт.

38

FFSB107569

Hydraulic Hose

1шт.

39

X6CTX-S

Elbow Fitting

(SUB FOR X2103-4-6)

4шт.

40

FFSB107633

Hydraulic Hose

1шт.

41

FFSB107562

Hydraulic Hose

1шт.

42

24M7054

Washer

6.400 X 12 X 1.600 mm

2шт.

43

12M7006

Lock Washer

6 mm

2шт.

44

14M7272

Nut

M6

2шт.

45

19M7933

Cap Screw

M6 X 25 (SUB FOR 19M7286)

2шт.

46

19M8011

Cap Screw

M12 X 30

4шт.

12M7058

Lock Washer

12 mm (SUB FOR 12M7067)

4шт.

Выбрано товаров: 0