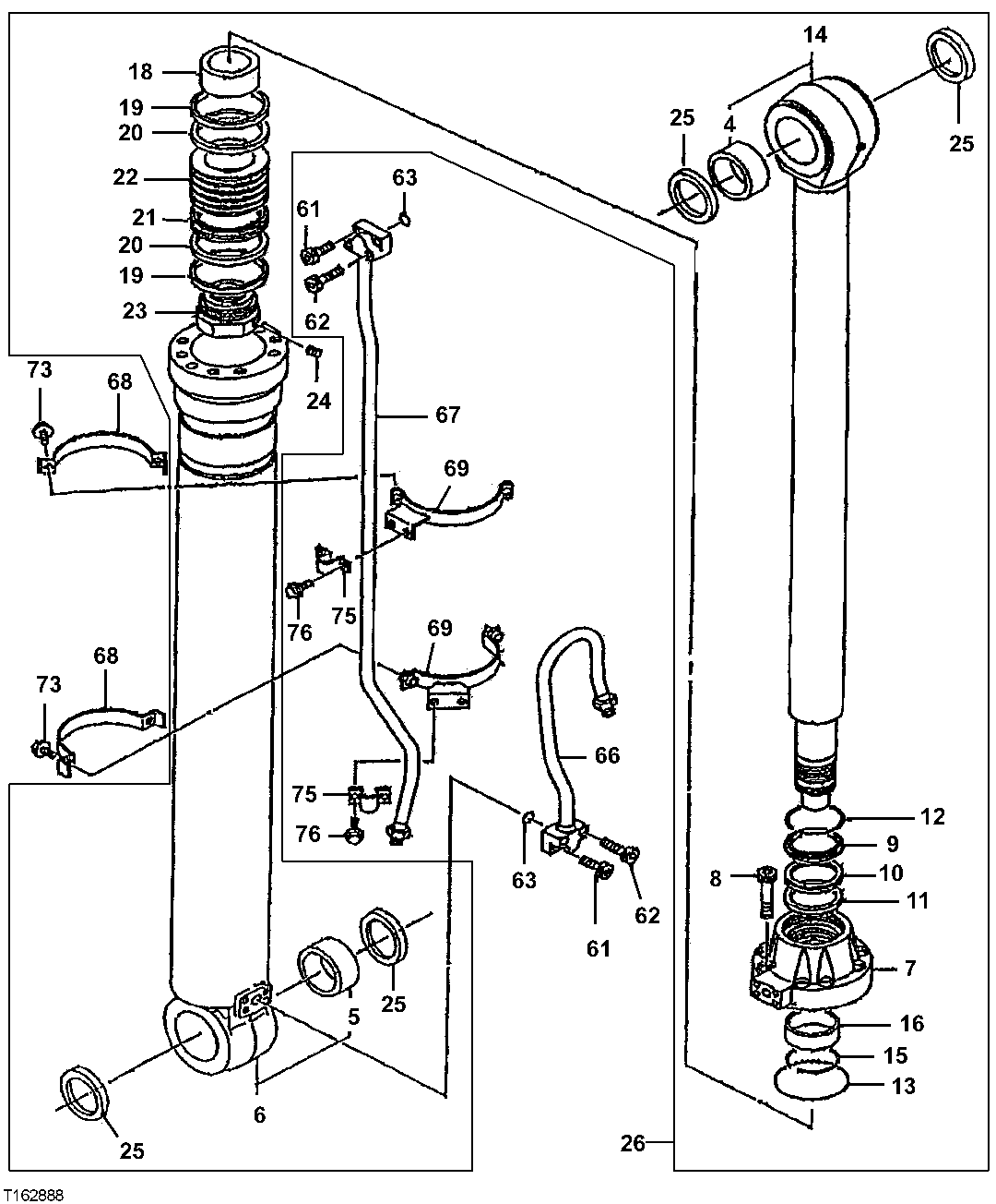
Запчасти John Deere 330LC, 370 162 - LOG LOADER ARM CYLINDER COMPONENTS (SERIAL NO. -081028) 3360A Hydraulic System

Схема запчастей John Deere 330LC, 370 - 162 - LOG LOADER ARM CYLINDER COMPONENTS (SERIAL NO. -081028) 3360A Hydraulic System
FIT
1:1
100%

Артикул

Название

Примечание

Количество

4

3083555

Bushing

(SUB FOR FFSB107270)

1шт.

5

3083566

Bushing

(SUB FOR FFSB107261)

1шт.

6

7038627

Structural Tube

(SUB FOR FFSB107260)

1шт.

7

1026394

Cylinder Head

(SUB FOR FFSB107262)

1шт.

8

M342711

Bolt

(SUB FOR FFSB107263)

10шт.

9

4407948

Seal

(SUB FOR FFSB107264)

1шт.

10

4407949

Seal

(SUB FOR FFSB107265)

1шт.

11

4407950

Ring

(SUB FOR FFSB107266)

1шт.

12

4407947

Snap Ring

(SUB FOR FFSB107267)

1шт.

13

4407953

O-Ring

(SUB FOR FFSB107268)

1шт.

14

7039197

Rod

(SUB FOR FFSB107269)

1шт.

15

4407952

Snap Ring

(SUB FOR FFSB107271)

1шт.

16

4407951

Bushing

(SUB FOR FFSB107272)

1шт.

18

2045190

Ring

(SUB FOR FFSB107273)

1шт.

19

4407954

Ring

(SUB FOR FFSB107274)

2шт.

20

4407956

Wear Ring

(SUB FOR FSB107275)

2шт.

21

4407955

Ring

(SUB FOR FFSB107276)

1шт.

22

3083569

Piston

(SUB FOR FFSB107293)

1шт.

23

3083661

Nut

(SUB FOR FFSB107278)

1шт.

24

4201806

Set Screw

(SUB FOR FFSB107232)

1шт.

25

0420110

Ring

(SUB FOR FFSB107279 OR 4411612)

4шт.

26

Cylinder

(SUB FFSB104897)( 9218640 NO LONGER AVAILABLE FOR SERVICE)

1шт.

61

19M8341

Screw

M12 X 45 (SUB FOR FFSB107236)

4шт.

62

19M8444

Screw

M12 X 60 (SUB FOR FFSB107237)

4шт.

63

AT264324

O-Ring

(SUB FOR FFSB107238, TH100044)

2шт.

66

8081869

Line

(SUB FOR FFSB107280)

1шт.

67

7039234

Line

(SUB FOR FFSB107281)

1шт.

68

308570

Clamp

(SUB FOR FFSB107282)

2шт.

69

8081873

Clamp

(SUB FOR FFSB107283)

2шт.

73

19M7550

Cap Screw

M10 X 35 (SUB FOR FFSB107241)

4шт.

75

4174241

Clamp

(SUB FOR FFSB107284)

2шт.

76

19M7402

Cap Screw

M10 X 25 (SUB FOR FFSB107131)

4шт.

Выбрано товаров: 32