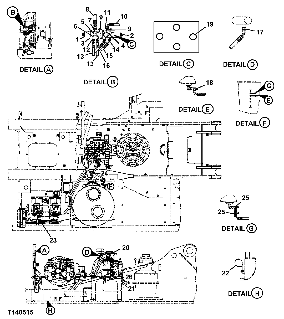
Запчасти John Deere 330LC, 370 178 - Auxiliary Pilot Piping (Butt-N-Top Forestry Cab) 3360C Hydraulic System (Forestry Cab)

Схема запчастей John Deere 330LC, 370 - 178 - Auxiliary Pilot Piping (Butt-N-Top Forestry Cab) 3360C Hydraulic System (Forestry Cab)
FIT
1:1
100%

Артикул

Название

Примечание

Количество

1

FFSB103786

Check Valve

1шт.

2

FFSB102545

Solenoid Valve

1шт.

3

FFSB103785

Plate

1шт.

4

FFSB102547

Plate

1шт.

5

19H3371

Cap Screw

1/4" X 1-3/4"

4шт.

6

19H3070

Screw

0.190" X 1-1/4" ( FFSB10 2861 NO LONGER AVAILABLE)

8шт.

7

R27237

Fitting

1шт.

8

FFSB102558

Hydraulic Hose

1шт.

9

AT63271

Fitting

2шт.

10

FFSB102554

Hydraulic Hose

1шт.

11

R36426

Fitting

1шт.

12

38H1171

Adapter Fitting

2шт.

13

FFSB102557

Hydraulic Hose

2шт.

14

AN113929

Elbow Fitting

2шт.

15

FFSB102555

Hydraulic Hose

(TO PD PORT OF SOLENOID VALVE)

1шт.

16

FFSB102556

Hydraulic Hose

(TO HYDRAULIC TANK)

1шт.

17

4190243

Adapter Fitting

(SUB FOR TH106151)

1шт.

18

AT36921

Tee Fitting

(SUB FOR FFSB104940)

1шт.

19

FFSB106319

Orifice

1шт.

20

A852333

Elbow Fitting

(SUB FOR TH101047 ) (SUB FOR 4154671)

1шт.

21

4190244

Elbow Fitting

(SUB FOR TH106152)

1шт.

22

T118385

Clamp

4шт.

23

R44302

Tie Band

4шт.

24

FFSB102559

Hydraulic Hose

1шт.

25

AE45056

Tee Fitting

2шт.

26

FFSB102562

Adapter Fitting

1шт.

Выбрано товаров: 26