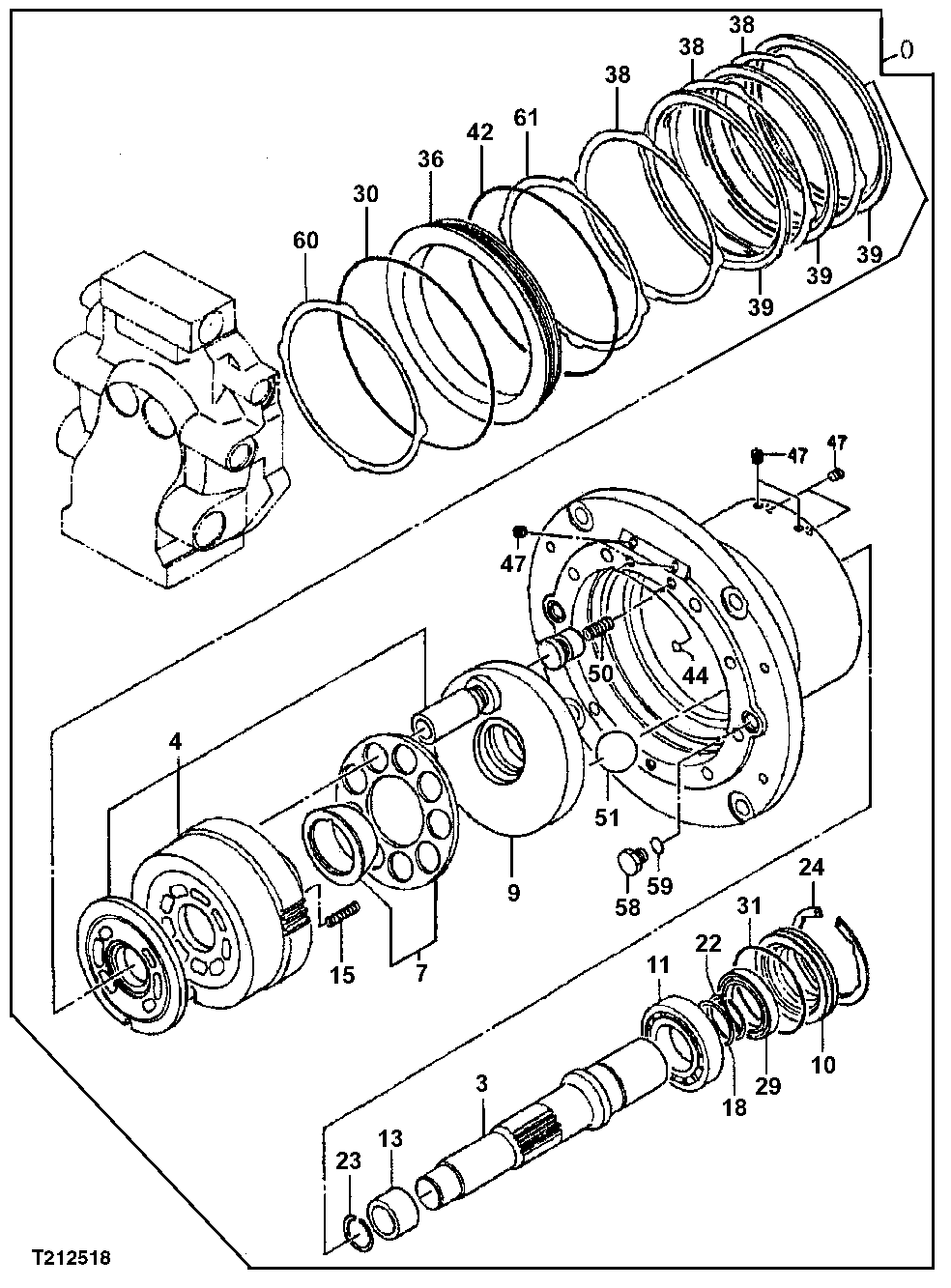
Запчасти John Deere 330LC, 370 16 - PROPEL MOTOR 0260 HYDRAULIC SYSTEM

Схема запчастей John Deere 330LC, 370 - 16 - PROPEL MOTOR 0260 HYDRAULIC SYSTEM
FIT
1:1
100%

Артикул

Название

Примечание

Количество

0

4352971EX

Hydraulic Motor Reman

SUB FOR AT217356 Contains All Items On This Page Additional Components On Previous Page

1шт.

3

0352203

Shaft

SUB FOR AT132240

1шт.

4

0419802

Cylinder Block

SUB FOR AT201558

1шт.

7

0709801

Plate

SUB FOR AT201559 OR 0419803

1шт.

9

0419804

Plate

SUB FOR AT201560

1шт.

10

0352207

Case

SUB FOR AT132244

1шт.

11

JD10204

Cylindrical Roller Bearing

1шт.

13

0352210

Bearing Race

SUB FOR AT132247

1шт.

15

0806502

Spring

SUB FOR AT201976 OR 0419805

9шт.

18

L39999

Washer

SUB FOR AT132251 OR 0352214

1шт.

22

0352215

Ring

SUB FOR AT132252

1шт.

23

0352216

Ring

SUB FOR AT132253

1шт.

24

0311317

Snap Ring

SUB FOR TH109060

1шт.

29

0352218

Seal

SUB FOR AT132255

1шт.

30

0419806

O-Ring

SUB FOR AT201977

1шт.

31

AT264223

O-Ring

SUB FOR AT121852 OR A811105

1шт.

36

0419807

Piston

SUB FOR AT204902

1шт.

38

0352221

Plate

SUB FOR AT132258 Friction

3шт.

39

0419808

Plate

SUB FOR AT201978 Disk

3шт.

42

0419809

O-Ring

SUB FOR AT204903

1шт.

44

CH17167

O-Ring

9.800 X 1.900 mm

3шт.

47

15H560

Pipe Plug

1/16"

6шт.

50

0419811

Spring

SUB FOR AT201561

4шт.

51

0352227

Ball

SUB FOR AT132263

2шт.

58

0311336

Pipe Plug

SUB FOR TH109082

2шт.

59

CH11570

O-Ring

2шт.

60

0420403

Ring

SUB FOR AT204905, 0419812 OR 4S00854

1шт.

61

0419813

Back-Up Ring

SUB FOR AT204906

1шт.

Выбрано товаров: 0