Запчасти John Deere 30LCR 94 - LABELS AND DECALS 1320 Vehicle Finish & Trim

Схема запчастей John Deere 30LCR - 94 - LABELS AND DECALS 1320 Vehicle Finish & Trim
FIT
1:1
100%

Артикул

Название

Примечание

Количество

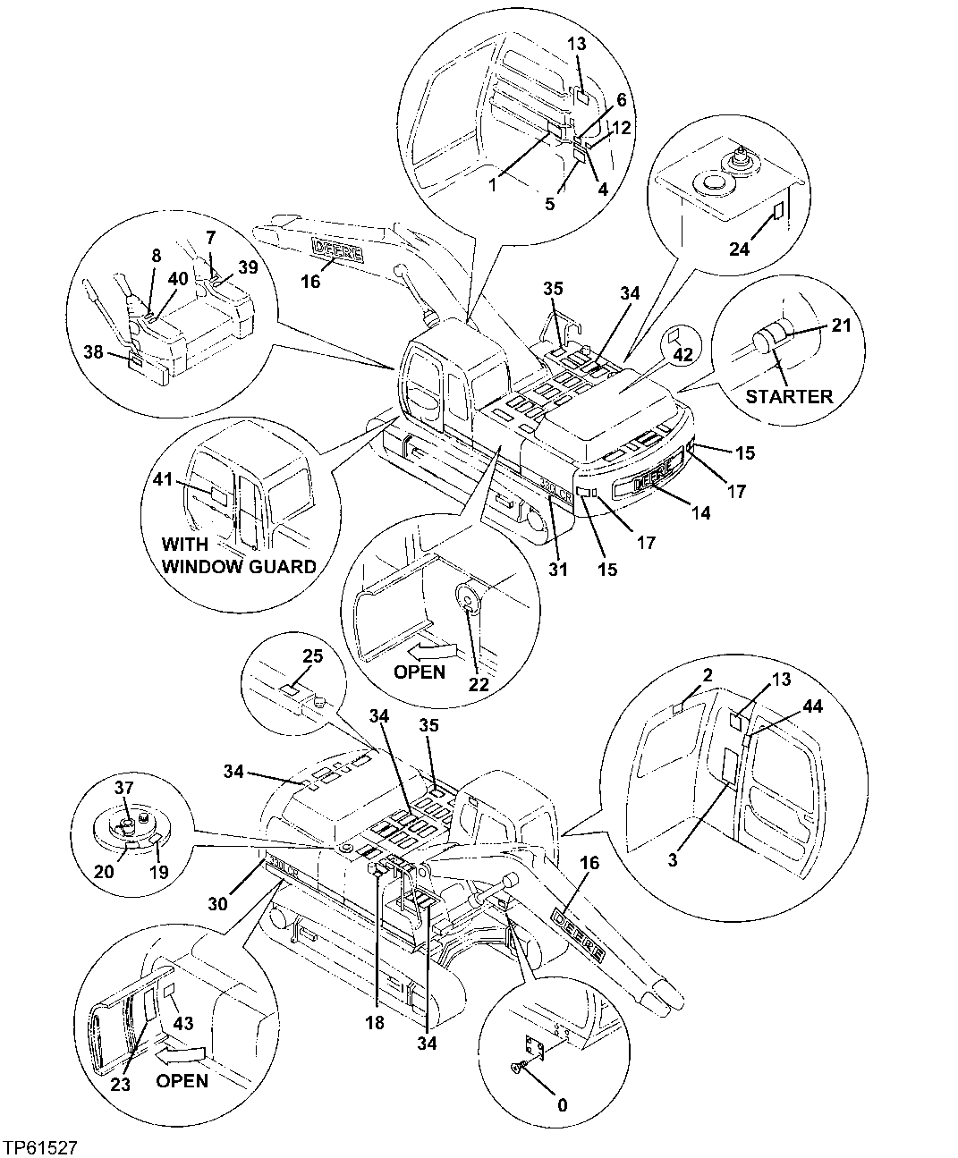
0

37H131

Screw

0.140" X 3/8"

2шт.

1

T159888

Label

ENGLISH (START-STOP OPERATION)

1шт.

2

T146664

Safety Sign

(CAUTION - FRONT WINDOW LOCK)

1шт.

3

T163313

Label

(LIFT CAPACITY CHART)

1шт.

4

T146668

Safety Sign

(WARNING - AVOID CRUSHING)

1шт.

5

T159887

Safety Sign

ENGLISH (CAUTION)

1шт.

6

T146667

Safety Sign

(DANGER - ELECTROCUTION)

1шт.

7

T159842

Label

(RIGHT CONTROL LEVER - SAE PATTERN) (WHITE BACKGROUND)

1шт.

T159843

Label

(RIGHT CONTROL LEVER - JOHN DEE RE PATTERN) (YELLOW BACKGROUND)

1шт.

8

T159841

Label

(LEFT CONTROL LEVER - SAE PATTERN) (WHITE BACKGROUND)

1шт.

T159844

Label

(LEFT CONTROL LEVER - JOHN DEE RE PATTERN) (YELLOW BACKGROUND)

1шт.

12

T190393

Label

(SUB FOR T157809)(IMPORTANT - B REAK WINDOW FOR SECONDARY EXIT)

1шт.

13

T160538

Label

(LEAPING DEERE)

2шт.

14

T166676

Label

(DEERE - ON COUNTERWEIGHT)

1шт.

15

T145893

Safety Sign

(STAY CLEAR)

2шт.

16

T166678

Label

(DEERE - ON BOOM)

2шт.

17

JD5909

Reflector

(RED REFLECTOR TAPE)

2шт.

18

T166756

Label

(DIESEL ONLY)

1шт.

19

T101942

Label

(HYDRAULIC OIL)

1шт.

20

P63448

Label

(PUMP BLEED INFORMATION)

1шт.

21

T146102

Label

(BYPASS START)

1шт.

22

R56902

Label

(DRY AIR CLEANER)

1шт.

23

T166608

Label

(PERIODIC MAINTENANCE)

1шт.

24

T149983

Label

(IMPORTANT - OIL LEVEL)

1шт.

25

T152657

Safety Sign

(CAUTION - RADIATOR)

1шт.

30

T166681

Label

(MODEL DESIGNATION - RIGHT REAR)

1шт.

31

T163314

Label

(MODEL DESIGNATION - LEFT REAR)

1шт.

34

H21259

Mat

(ANTI-SKID TAPE)

26шт.

35

H21259

Mat

(ANTI-SKID TAPE)

2шт.

37

T147009

Label

(RESERVOIR COVER)

1шт.

38

4299059

Label

(SUB FOR T138886)(HYDRAULIC LEVER LOCK)

1шт.

39

4264805

Label

(SUB FOR AT155730)(IGNITION KEY SWITCH)

1шт.

40

4288971

Label

(SUB FOR AT155729)(EIT HER AID/MOTION CANCEL)

1шт.

41

T161729

Label

(WINDOW GUARD INSTALLATION)

1шт.

42

T132599

Label

(ENGINE OIL SAMPLE VALVE)

1шт.

43

T132600

Label

(HYDRAULIC OIL SAMPLE VALVE)

1шт.

44

T184000

Label

(CAUTION - SOUND)

1шт.

Выбрано товаров: 0