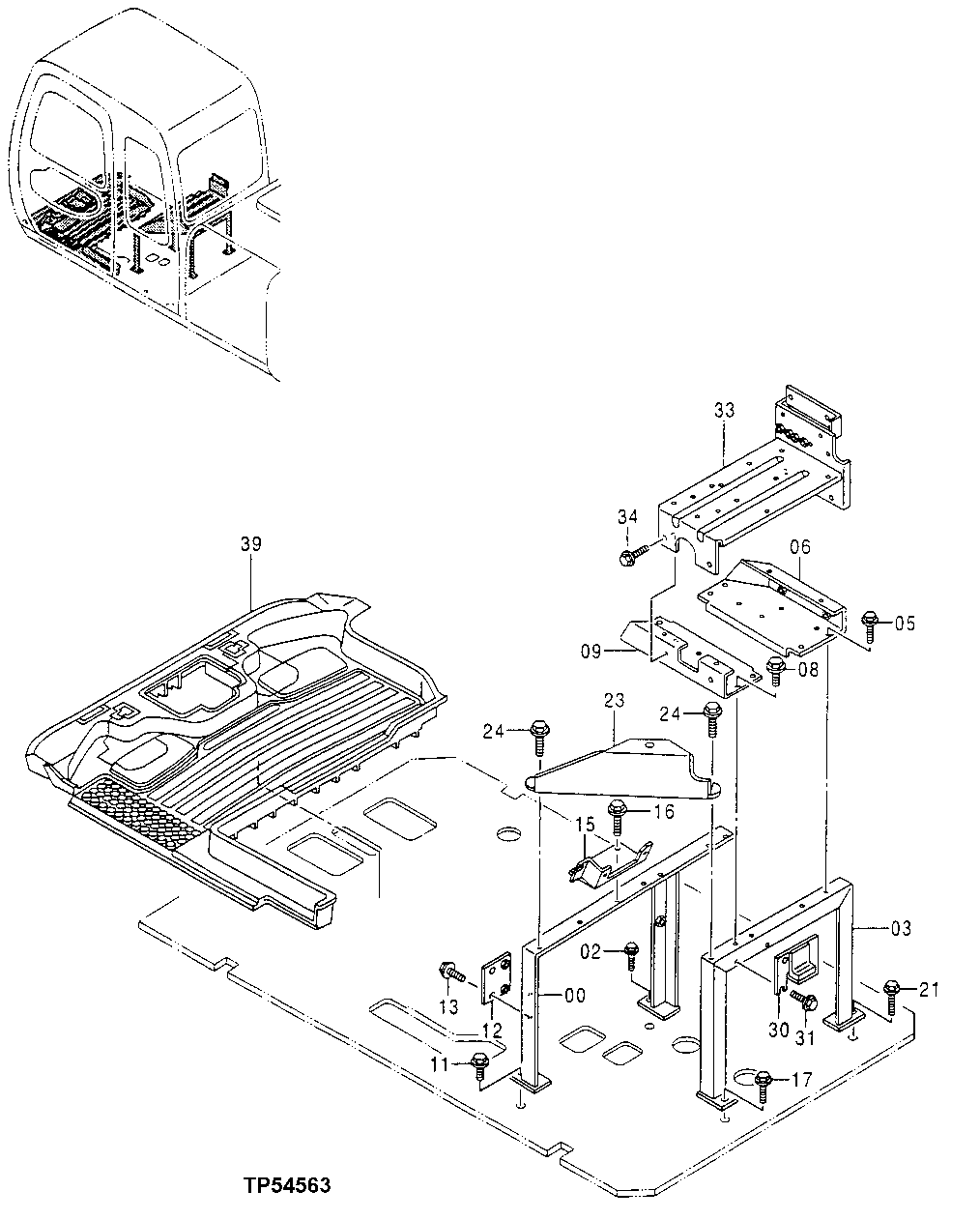
Запчасти John Deere 30LCR 139 - CAB FLOOR PARTS 1810 Operator Enclosure

Схема запчастей John Deere 30LCR - 139 - CAB FLOOR PARTS 1810 Operator Enclosure
FIT
1:1
100%

Артикул

Название

Примечание

Количество

0

7030838

Support

SUB FOR AT215990

1шт.

2

12M7066

Lock Washer

10 mm

1шт.

19M7402

Cap Screw

M10 X 25

1шт.

3

7030839

Support

SUB FOR AT215991

1шт.

5

19M7881

Screw

M8 X 20

4шт.

Washer

12M7065 NLA

4шт.

24M7055

Washer

8.400 X 16 X 1.600 mm

4шт.

6

8060883

Bracket

SUB FOR AT215996

1шт.

8

19M7881

Screw

M8 X 20

4шт.

Washer

12M7065 NLA

4шт.

24M7055

Washer

8.400 X 16 X 1.600 mm

4шт.

9

8060884

Bracket

SUB FOR AT215997

1шт.

11

19M7662

Cap Screw

M10 X 30

1шт.

24M7028

Washer

10.500 X 20 X 2 mm

1шт.

12M7066

Lock Washer

10 mm

1шт.

12

9743487

Bracket

SUB FOR AT216026

1шт.

13

19M7881

Screw

M8 X 20

2шт.

Washer

12M7065 NLA

2шт.

24M7055

Washer

8.400 X 16 X 1.600 mm

2шт.

15

8060885

Bracket

SUB FOR AT215998

1шт.

16

19M7881

Screw

M8 X 20

2шт.

Washer

12M7065 NLA

2шт.

24M7055

Washer

8.400 X 16 X 1.600 mm

2шт.

17

12M7066

Lock Washer

10 mm

1шт.

19M7402

Cap Screw

M10 X 25

1шт.

21

19M7662

Cap Screw

M10 X 30

1шт.

24M7028

Washer

10.500 X 20 X 2 mm

1шт.

12M7066

Lock Washer

10 mm

1шт.

23

AT307700

Bracket

SUB FOR AT216027 OR 9743628

1шт.

24

4342802

Screw

SUB FOR AT177372

2шт.

30

8061717

Bracket

SUB FOR AT216000

1шт.

31

19M7881

Screw

M8 X 20

2шт.

Washer

12M7065 NLA

2шт.

24M7055

Washer

8.400 X 16 X 1.600 mm

2шт.

33

7029268

Bracket

SUB FOR AT215992

1шт.

34

19M7881

Screw

M8 X 20

4шт.

Washer

12M7065 NLA

4шт.

24M7055

Washer

8.400 X 16 X 1.600 mm

4шт.

39

0002043

Mat

SUB FOR AT213625

1шт.

Выбрано товаров: 39