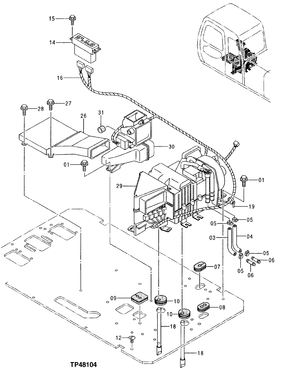
Запчасти John Deere 30LCR 155 - AIR CONDITIONER 1830 Heating & Air Conditioning

Схема запчастей John Deere 30LCR - 155 - AIR CONDITIONER 1830 Heating & Air Conditioning
FIT
1:1
100%

Артикул

Название

Примечание

Количество

1

19M7402

Cap Screw

M10 X 25

11шт.

12M7066

Lock Washer

10 mm

11шт.

24M7028

Washer

10.500 X 20 X 2 mm

11шт.

3

4344638

Hose

SUB FOR AT214027 OR 4366623

1шт.

4

4344638

Hose

SUB FOR AT213898

1шт.

5

WZ2141223

Hose Clamp

SUB FOR AA34965

4шт.

6

4341800

Tube

SUB FOR AT213885

2шт.

7

4379359

Grommet

SUB FOR AT215560

1шт.

8

4276794

Grommet

SUB FOR AT154344

1шт.

9

4351009

Grommet

SUB FOR AT215523

1шт.

10

4361147

Grommet

SUB FOR AT214002

2шт.

12

4280359

Plug

SUB FOR AT154351

13шт.

14

4361106

Control

SUB FOR AT215530

1шт.

15

21M7265

Screw

M5 X 12

4шт.

16

2038806

Wiring Harness

SUB FOR AT215480

1шт.

18

4251896

Hydraulic Hose

SUB FOR AT215495

2шт.

19

H77698

Tie Band

7шт.

26

4350243

Air Duct

SUB FOR AT213940

1шт.

27

Washer

12M7065 NLA

2шт.

19M7881

Screw

M8 X 20

2шт.

24M7055

Washer

8.400 X 16 X 1.600 mm

2шт.

28

19M7866

Screw

M8 X 20 SUB FOR AT213603 OR J0508 20, ALONG WITH 24M7036 AND 12M7065

2шт.

24M7036

Washer

9 X 16 X 1.600 mm

2шт.

Washer

12M7065 NLA

2шт.

29

4361104

Air Conditioner

SUB FOR AT215529

1шт.

30

4361107

Housing

SUB FOR AT215531

1шт.

31

4344546

Cap

SUB FOR AT215521

1шт.

Выбрано товаров: 27