Запчасти John Deere 30LCR 161 - AIR CONDITIONER COMPONENTS 1830 Heating & Air Conditioning

Схема запчастей John Deere 30LCR - 161 - AIR CONDITIONER COMPONENTS 1830 Heating & Air Conditioning
FIT
1:1
100%

Артикул

Название

Примечание

Количество

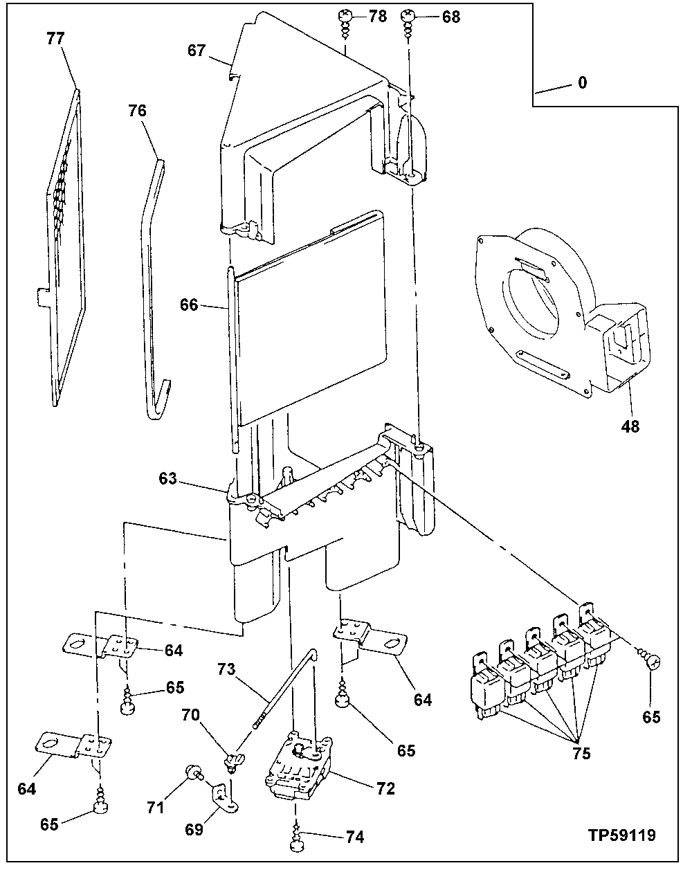
0

4361104

Air Conditioner

(SUB FOR AT215529)(CONTAINS ALL ITEMS ON THIS PAGE - ADDITIONAL COMPONENTS LISTED ON PREVIOUS AND FOLLOWING PAGES )

1шт.

48

4382840

Blower

(SUB FOR AT181033)

1шт.

63

4382852

Housing

(SUB FOR AT181044)

1шт.

64

4382853

Bracket

(SUB FOR AT181045)

3шт.

65

4236448

Screw

(SUB FOR AT181024)

ARшт.

66

4382854

Door

(SUB FOR AT181047)

1шт.

67

4382855

Housing

(SUB FOR AT181048)

1шт.

68

4382883

Screw

(SUB FOR AT181011)

3шт.

69

4382856

Lever

(SUB FOR AT181049)

1шт.

70

4362310

Clamp

(SUB FOR AT173818)

1шт.

71

J460308

Screw With Washer

(SUB FOR AT181025)

1шт.

72

4382857

Electric Motor

(SUB FOR AT181050)

1шт.

73

4382858

Hook Bolt

(SUB FOR AT181051)

1шт.

74

4382859

Screw

(SUB FOR AT181052)

3шт.

75

4382860

Relay

(SUB FOR AT181053)

5шт.

76

4382861

Isolator

(SUB FOR AT181054)

1шт.

77

4382862

Filter Element

(SUB FOR AT181055)

1шт.

78

4382882

Bolt

(SUB FOR AT218133)

4шт.

Выбрано товаров: 18