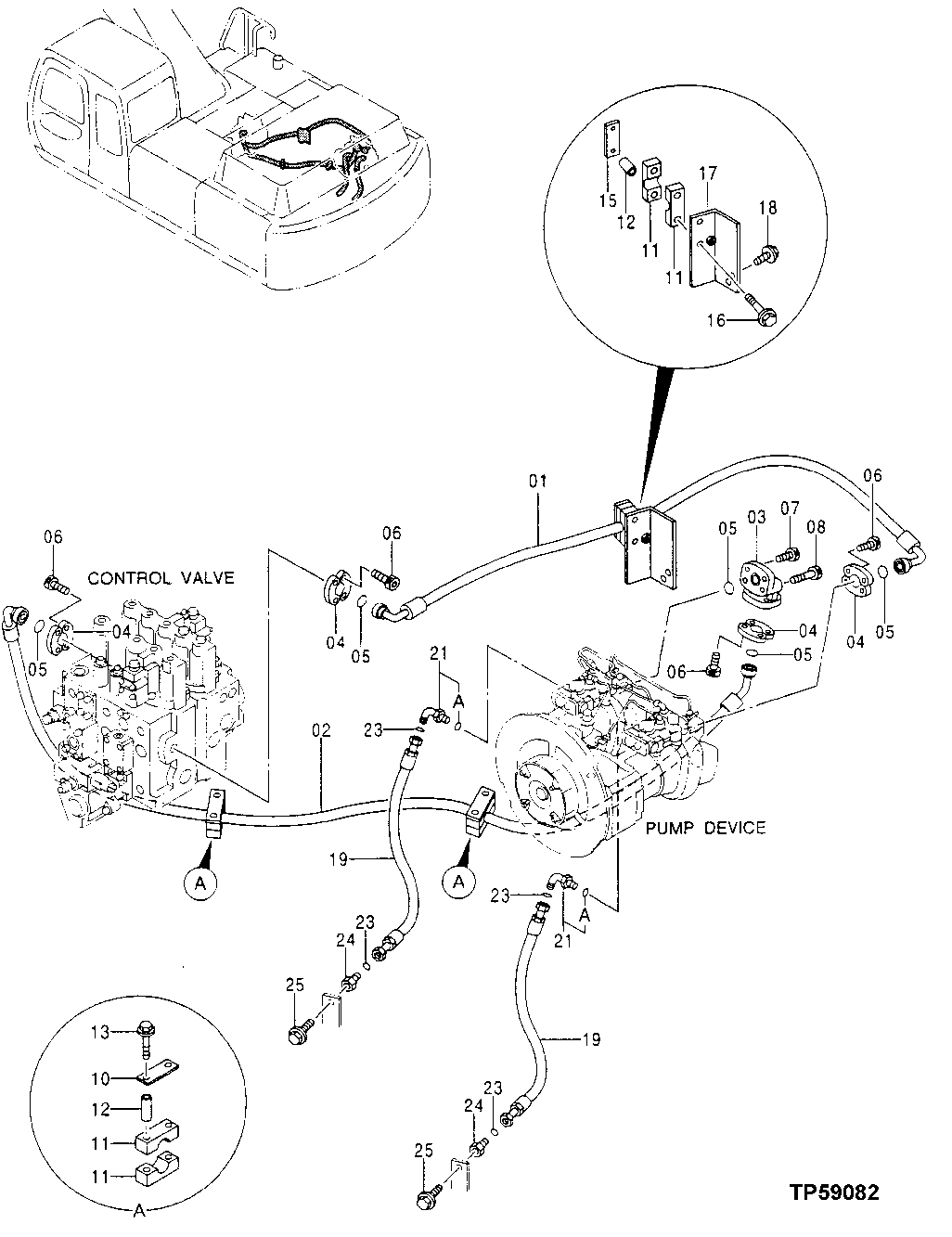
Запчасти John Deere 30LCR 204 - DELIVERY PIPINGS 2160 Vehicle Hydraulics

Схема запчастей John Deere 30LCR - 204 - DELIVERY PIPINGS 2160 Vehicle Hydraulics
FIT
1:1
100%

Артикул

Название

Примечание

Количество

1

4398036

Hydraulic Hose

(SUB FOR AT250123)

1шт.

2

4408358

Hydraulic Hose

(SUB FOR AT250149)

1шт.

3

2035088

Manifold

(SUB FOR AT200964)

1шт.

4

4085560

Flange Fitting

(SUB FOR TH101960)

8шт.

5

T78313

O-Ring

32.920 X 3.530 mm (1.296" X 0.139")

5шт.

6

19M9163

Screw

M12 X 40 (SUB FOR J781240)

16шт.

7

19M8273

Screw

M12 X 45 (SUB FOR J781245)

2шт.

8

19M9044

Screw

M12 X 80 (SUB FOR J781280)

2шт.

10

4195494

Plate

(SUB FOR TH109533)

2шт.

11

4323361

Clamp

(SUB FOR AT201202)

6шт.

12

4323362

Bushing

(SUB FOR AT201274)

6шт.

13

19M8183

Cap Screw

M10 X 90

4шт.

12M7066

Lock Washer

10 mm

4шт.

15

4255264

Strap

(SUB FOR AT200994)

1шт.

16

19M8183

Cap Screw

M10 X 90

2шт.

12M7066

Lock Washer

10 mm

2шт.

17

8071346

Bracket

(SUB FOR AT250236)

1шт.

18

19M8761

Screw

M10 X 22

2шт.

12M7058

Lock Washer

12 mm (SUB FOR 12M7067)

2шт.

19

4260127

Hydraulic Hose

(SUB FOR AT131297)

2шт.

21

4157562

Elbow Fitting

(SUB FOR TH109540)

2шт.

21A

AT318035

O-Ring

(SUB FOR 4506424, TH100055)

1шт.

23

T77858

O-Ring

18.771 X 1.778 mm (0.739" X 0.070")

4шт.

24

4204882

Fitting Plug

(SUB FOR TH109541)

2шт.

25

19M7403

Cap Screw

M12 X 35

2шт.

12H301

Lock Washer

1/2"

2шт.

Выбрано товаров: 26