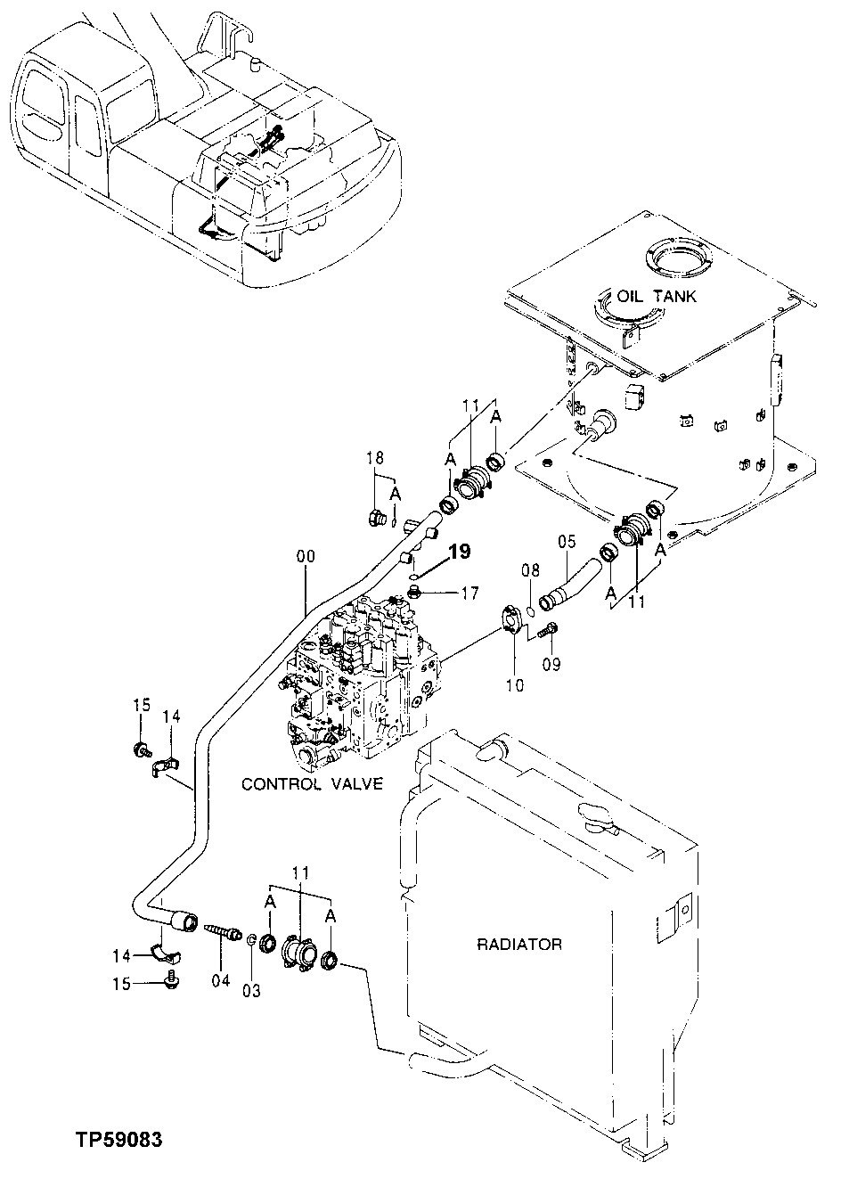
Запчасти John Deere 30LCR 224 - RETURN PIPINGS 3360 Hydraulic System

Схема запчастей John Deere 30LCR - 224 - RETURN PIPINGS 3360 Hydraulic System
FIT
1:1
100%

Артикул

Название

Примечание

Количество

0

7043621

Line

SUB FOR AT250212

1шт.

3

40M7225

Snap Ring

1шт.

4

4678480

Hydraulic Pressure Valve

SUB FOR AT201043

1шт.

5

8081805

Line

SUB FOR AT250270 AND 9750773

1шт.

8

T72216

O-Ring

37.694 X 3.531 mm (1-31/64" X 0.139")

1шт.

9

J781228

Bolt

SUB FOR P61967; SUB FOR AT214412

4шт.

10

R29867

Flange Fitting

2шт.

11

4067834

Coupling

SUB FOR TH102945

3шт.

11A

4196260

Seal

NLA, ORDER 4067834

2шт.

14

4053697

Clamp

SUB FOR TH101030

2шт.

15

19M7753

Cap Screw

M12 X 70

2шт.

12H301

Lock Washer

1/2"

2шт.

17

15M7036

Drain Plug

SUB FOR TH109285 OR 0309805

1шт.

18

A885008

Pipe Plug

SUB FOR 4113926 AND AT126200

1шт.

18A

TH101926

O-Ring

28.700 X 3.500 mm (1.130" X 0.138")

1шт.

19

CH11570

O-Ring

13.800 X 2.400 mm (0.543" X 3/32")

1шт.

Выбрано товаров: 16