Запчасти John Deere 30LCR 251 - PILOT PIPINGS 3360 Hydraulic System

Схема запчастей John Deere 30LCR - 251 - PILOT PIPINGS 3360 Hydraulic System
FIT
1:1
100%

Артикул

Название

Примечание

Количество

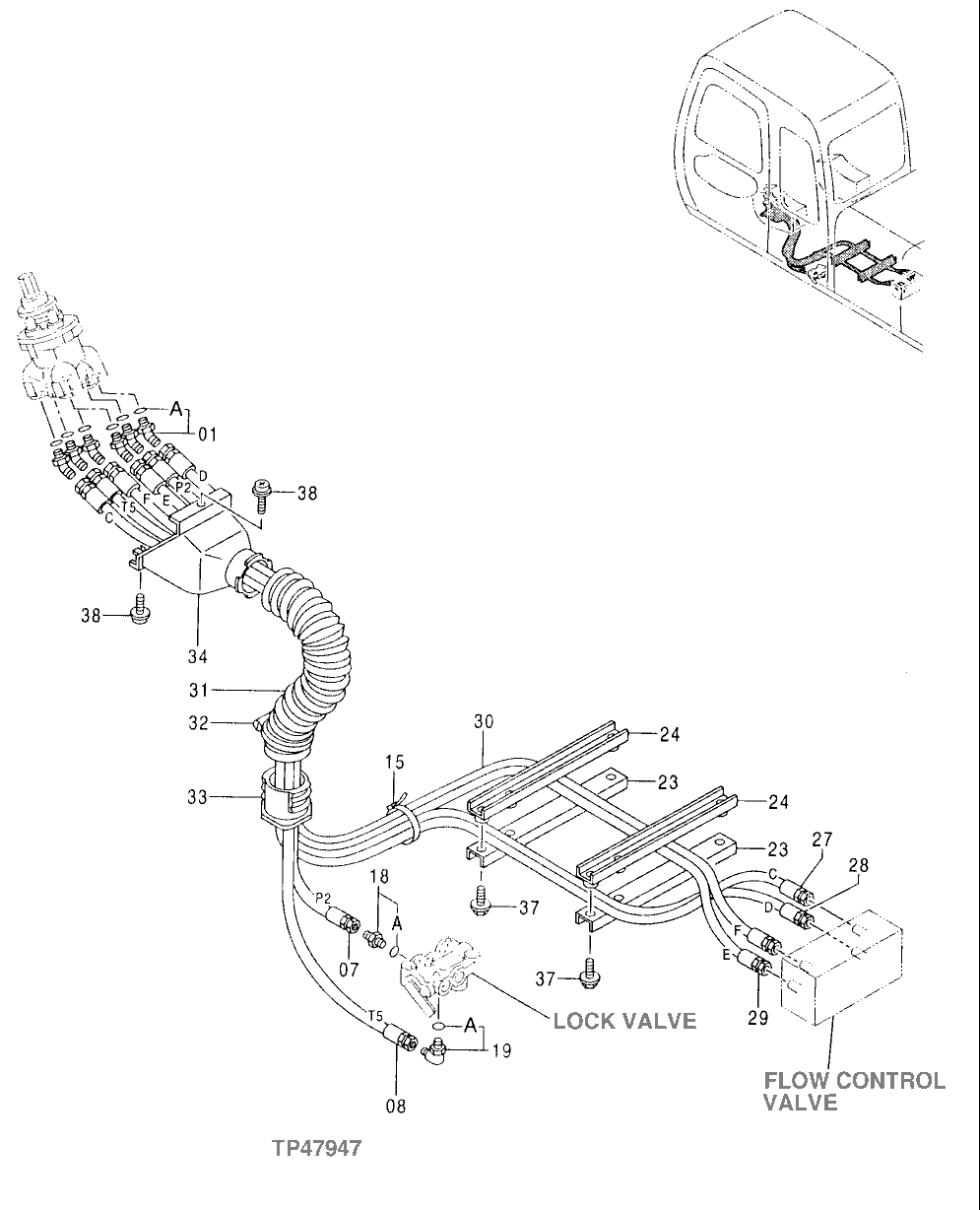
1

A852223

Elbow Fitting

(SUB FOR AT154994 OR 4286916)

6шт.

1A

M800650

Packing

1шт.

7

AT215538

Hydraulic Hose

1шт.

8

AT215539

Hydraulic Hose

1шт.

15

H77698

Tie Band

1шт.

18

4261938

Fitting

(SUB FOR AT154285)

1шт.

18A

CH11570

O-Ring

13.800 X 2.400 mm (0.543" X 3/32")

1шт.

19

A852333

Elbow Fitting

(SUB FOR TH101047 ) (SUB FOR AT336091)

1шт.

19A

CH11570

O-Ring

13.800 X 2.400 mm (0.543" X 3/32")

1шт.

23

4341877

Channel

(SUB FOR AT213887)

2шт.

24

9743671

Channel

(SUB FOR AT214405)

2шт.

27

AT219680

Hydraulic Hose

1шт.

28

AT219681

Hydraulic Hose

1шт.

29

AT219689

Hydraulic Hose

1шт.

30

AT250015

Hydraulic Hose

1шт.

31

4351175

Hose

(SUB FOR AT213957)

1шт.

32

4351774

Clamp

(SUB FOR AT213962)

1шт.

33

3079728

Bushing

(SUB FOR AT213780)

1шт.

34

3072745

Cover

(SUB FOR AT213784)

1шт.

37

19M7358

Cap Screw

M10 X 40

4шт.

12M7066

Lock Washer

10 mm

4шт.

24M7028

Washer

10.500 X 20 X 2 mm

4шт.

38

Screw With Washer

( J460620 NO LONGER AVAI LABLE) (SUB FOR AT200012)

2шт.

21M7267

Screw

M6 X 20

2шт.

24M7293

Washer

6.500 X 13 X 1.600 mm

2шт.

12M7006

Lock Washer

6 mm

2шт.

Выбрано товаров: 26