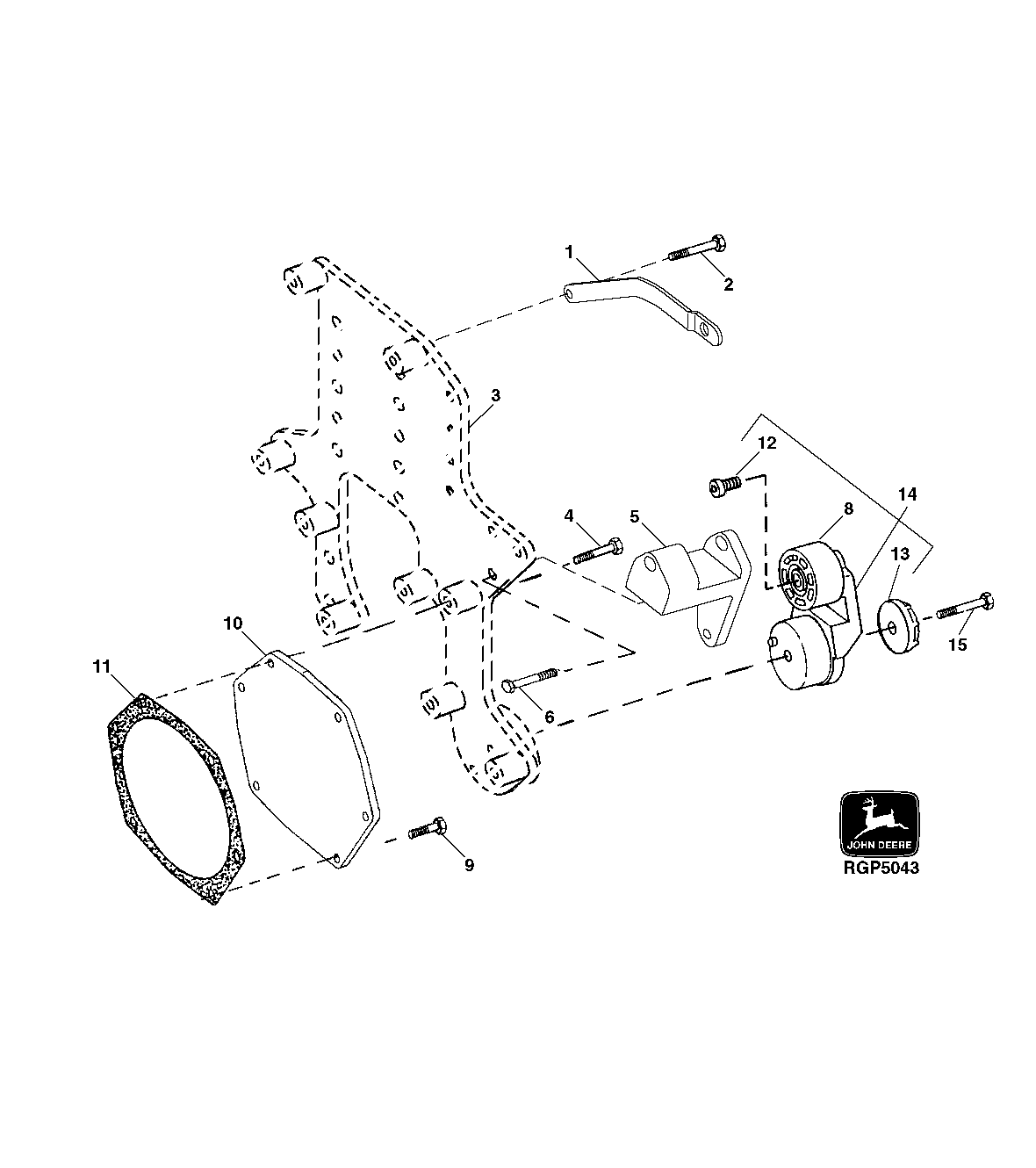
Запчасти John Deere 30LCR 62 - ALTERNATOR MOUNTING 0400 Engine 6081HT001-RG26768 6081HT001

Схема запчастей John Deere 30LCR - 62 - ALTERNATOR MOUNTING 0400 Engine 6081HT001-RG26768 6081HT001
FIT
1:1
100%

Артикул

Название

Примечание

Количество

1

R130551

Strap

1шт.

2

19H3773

Screw

3/8" X 2"

1шт.

3

R129875

Plate

1шт.

4

R104861

Screw

5шт.

5

R500607

Strap

1шт.

6

19H3239

Cap Screw

3/8" X 1-1/4"

2шт.

7

19M7810

Screw

M10 X 80

1шт.

8

RE505264

Pulley

1шт.

9

R112268

Screw

1шт.

10

R50393

Cover

INJECTION PUMP ACCESS

1шт.

11

R502011

Gasket

(SUB FOR R50390)

1шт.

12

R98250

Bolt

1шт.

13

R114837

Dust Shield

1шт.

14

RE68715

Belt Tensioner

1шт.

15

19M7810

Screw

M10 X 80

1шт.

Выбрано товаров: 15