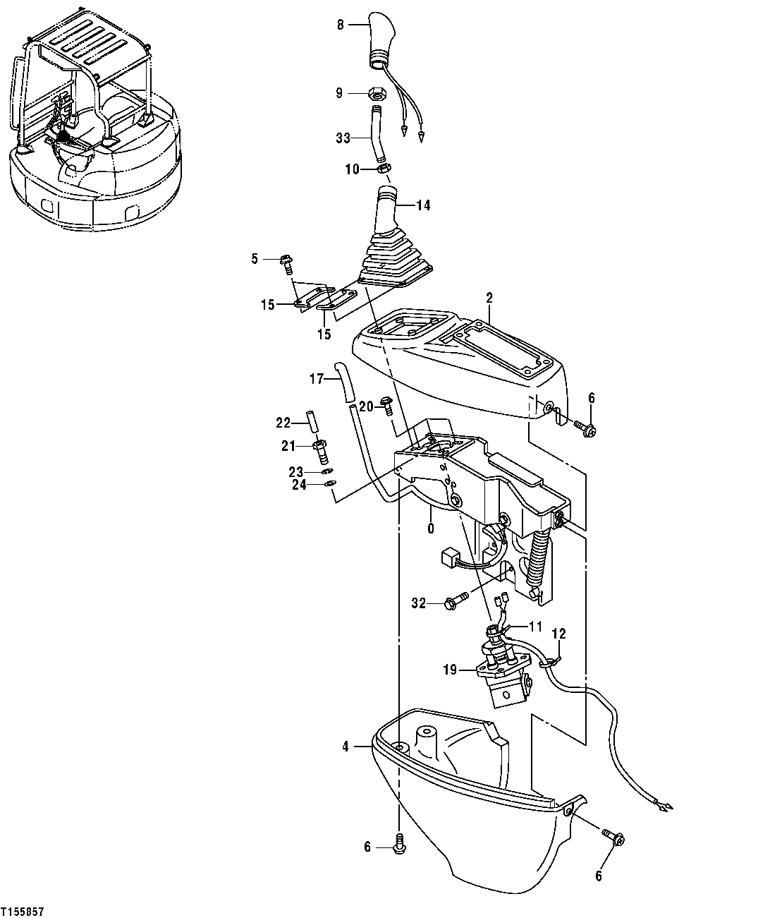
Запчасти John Deere 554 141 - CONSOLE (LEFT) AND PILOT CONTROL LEVER (DIG AND SWING) 3315 Controls Linkage

Схема запчастей John Deere 554 - 141 - CONSOLE (LEFT) AND PILOT CONTROL LEVER (DIG AND SWING) 3315 Controls Linkage
FIT
1:1
100%

Артикул

Название

Примечание

Количество

0

4458282

Frame

1шт.

2

4458283

Cover

1шт.

4

4458284

Cover

1шт.

5

21M7277

Screw

M6 X 25 SUB FOR AT153815, SUB FOR J680625

4шт.

24M7293

Washer

6.500 X 13 X 1.600 mm

4шт.

12M7006

Lock Washer

6 mm

4шт.

6

Screw With Washer

J680616 NLA

4шт.

21M7577

Socket Head Screw

M6 X 16

4шт.

12M7006

Lock Washer

6 mm

4шт.

24M7054

Washer

6.400 X 12 X 1.600 mm

4шт.

8

2045472

Grip

1шт.

9

14M7357

Nut

M12 SUB FOR J952012

1шт.

10

14M7141

Nut

M14 SUB FOR J950014

1шт.

11

H77698

Tie Band

1шт.

12

R44302

Tie Band

SUB FOR 4326365

1шт.

14

2045470

Boot

1шт.

15

4458366

Plate

2шт.

17

4377660

Grip

1шт.

19

Hyd Actuated Control Valve

COMPONENTS ON ANOTHER PAGE, 4462567 NLA

1шт.

4632725

Valve

COMPONENTS NOT CURRENTLY AVAILABLE

1шт.

20

Bolt

J020816 NLA

3шт.

19M7932

Cap Screw

M8 X 16

3шт.

24H1136

Washer

11/32" X 11/16" X 0.065"

3шт.

12M7056

Lock Washer

8 mm

3шт.

Bolt

J260820 NLA

3шт.

19M7139

Cap Screw

M8 X 20

3шт.

24M7055

Washer

8.400 X 16 X 1.600 mm

3шт.

21

4438279

Bolt

1шт.

4609956

Bolt

1шт.

22

34M7086

Spring Pin

3 X 32 mm SUB FOR 4144011

1шт.

23

Washer

12M7065 NLA

1шт.

24

24M7055

Washer

8.400 X 16 X 1.600 mm SUB FOR A590108

1шт.

32

19M7881

Screw

M8 X 20 SUB FOR J090820 OR J020820

3шт.

Washer

12M7065 NLA

3шт.

24M7055

Washer

8.400 X 16 X 1.600 mm

3шт.

33

4488460

Lever

1шт.

Выбрано товаров: 36