Запчасти John Deere 554 144 - PROPEL CONTROL LEVERS AND VALVE 3315 Controls Linkage

Схема запчастей John Deere 554 - 144 - PROPEL CONTROL LEVERS AND VALVE 3315 Controls Linkage
FIT
1:1
100%

Артикул

Название

Примечание

Количество

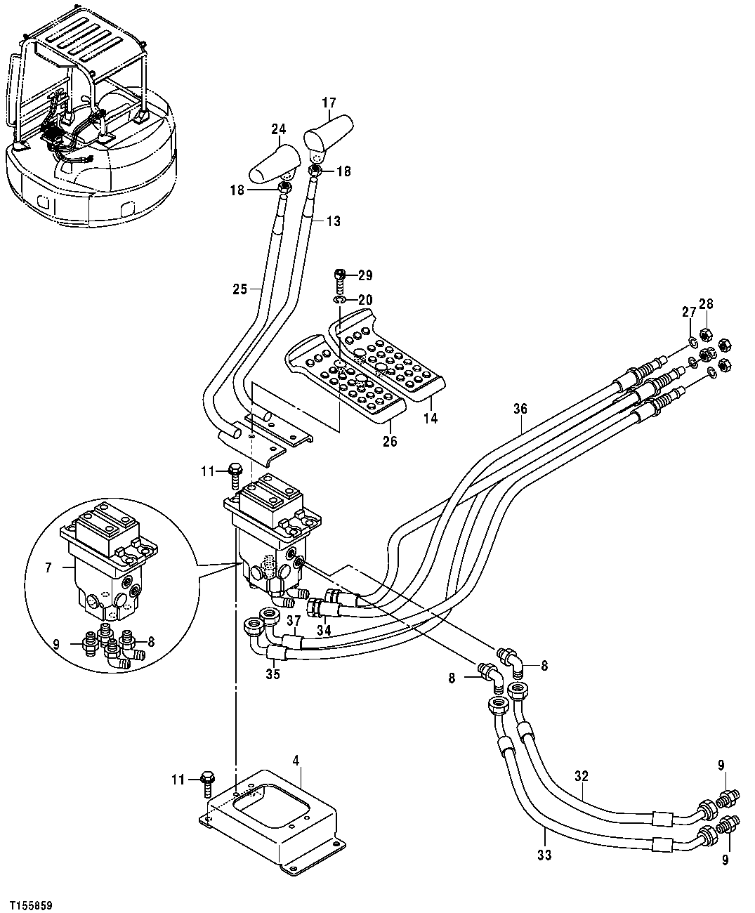
4

8088514

Bracket

1шт.

7

4467243

Hyd Actuated Control Valve

COMPONENTS ON ANOTHER PAGE

1шт.

8

4434981

Elbow Fitting

4шт.

M800650

Packing

SUB FOR 957366

4шт.

9

4042030

Adapter Fitting

4шт.

M800650

Packing

SUB FOR 957366

4шт.

11

19M7407

Cap Screw

M8 X 25 SUB FOR AT256004

8шт.

24M7055

Washer

8.400 X 16 X 1.600 mm

8шт.

Washer

12M7065 NLA

8шт.

13

8088394

Lever

1шт.

14

1030519

Pedal

1шт.

17

2051176

Grip

SUB FOR 2045468

1шт.

18

4424185

Nut

2шт.

20

Washer

12M7065 NLA

4шт.

24

2051177

Grip

SUB FOR 2045469

1шт.

25

8085214

Lever

1шт.

26

1030516

Pedal

1шт.

27

12M7058

Lock Washer

12 mm SUB FOR 12M7067, SUB FOR J252212

4шт.

28

14M7275

Nut

M12

4шт.

29

19M7881

Screw

M8 X 20 SUB FOR J770820

4шт.

32

4474976

Hydraulic Hose

1шт.

33

4474977

Hydraulic Hose

1шт.

34

4474978

Hydraulic Hose

1шт.

35

4474979

Hydraulic Hose

1шт.

36

4474980

Hydraulic Hose

1шт.

37

4474981

Hydraulic Hose

1шт.

Выбрано товаров: 26