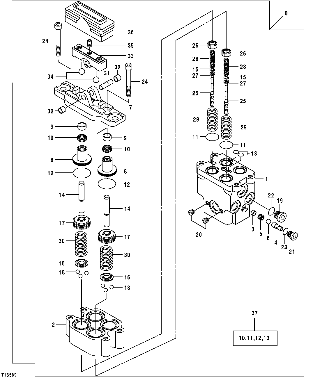
Запчасти John Deere 554 145 - PROPEL VALVE COMPONENTS 3315 Controls Linkage

Схема запчастей John Deere 554 - 145 - PROPEL VALVE COMPONENTS 3315 Controls Linkage
FIT
1:1
100%

Артикул

Название

Примечание

Количество

0

4467243

Hyd Actuated Control Valve

1шт.

1

Housing

1шт.

2

Housing

1шт.

3

Seat

2шт.

4

Seat

2шт.

5

Bushing

2шт.

6

Ball

2шт.

7

Cover

2шт.

8

0846601

Plug

4шт.

9

0846602

Cap

4шт.

10

Packing

4шт.

11

O-Ring

4шт.

12

O-Ring

4шт.

13

O-Ring

2шт.

14

Push Rod

4шт.

15

0846603

Shim

4шт.

16

0846604

Valve Seat

4шт.

17

Piston

4шт.

18

0846605

Ball

12шт.

19

0846606

Plug

5шт.

20

Plug

6шт.

21

0846607

Plug

2шт.

22

M800650

Packing

(SUB FOR 957366)

5шт.

23

0846609

O-Ring

2шт.

24

0846610

Bolt

4шт.

25

Spool

4шт.

26

0846611

Valve Seat

4шт.

27

24M7117

Washer

4.300 X 9 X 0.800 mm (SUB FOR 0846612)

4шт.

28

0846613

Spring

4шт.

29

0846614

Spring

4шт.

30

0846615

Spring

4шт.

31

Shaft

2шт.

32

Bushing

4шт.

33

Cam

2шт.

34

Ball

4шт.

35

0846616

Screw

2шт.

36

0757402

Boot

2шт.

37

0846617

Seal Kit

1шт.

Выбрано товаров: 38