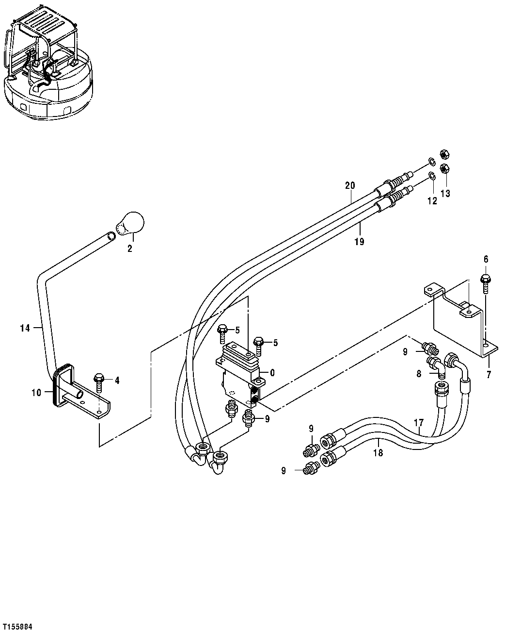
Запчасти John Deere 554 148 - BLADE CONTROL LEVER AND VALVE 3315 Controls Linkage

Схема запчастей John Deere 554 - 148 - BLADE CONTROL LEVER AND VALVE 3315 Controls Linkage
FIT
1:1
100%

Артикул

Название

Примечание

Количество

0

TH4600430

Hydr./Pilot Control Valve

SUB FOR 4467244, COMPONENTS ON ANOTHER PAGE

1шт.

2

4399121

Grip

1шт.

4

19M7932

Cap Screw

M8 X 16 SUB FOR J090816

2шт.

24M7055

Washer

8.400 X 16 X 1.600 mm

2шт.

Washer

12M7065 NLA

2шт.

5

19M7881

Screw

M8 X 20 SUB FOR J090820 OR J020820

2шт.

Washer

12M7065 NLA

2шт.

24M7055

Washer

8.400 X 16 X 1.600 mm

2шт.

6

19M7402

Cap Screw

M10 X 25 SUB FOR J051025

2шт.

24M7096

Washer

10.500 X 18 X 1.600 mm

2шт.

12M7066

Lock Washer

10 mm

2шт.

7

9759145

Bracket

1шт.

8

4434981

Elbow Fitting

1шт.

M800650

Packing

SUB FOR 957366

1шт.

9

4042030

Adapter Fitting

5шт.

M800650

Packing

SUB FOR 957366

5шт.

10

4476869

Bushing

1шт.

12

12M7058

Lock Washer

12 mm SUB FOR 12M7067, SUB FOR J252212

2шт.

13

14M7275

Nut

M12

2шт.

14

8086710

Lever

1шт.

17

4474986

Hydraulic Hose

1шт.

18

4474987

Hydraulic Hose

1шт.

19

4474988

Hydraulic Hose

1шт.

20

4474989

Hydraulic Hose

1шт.

Выбрано товаров: 24