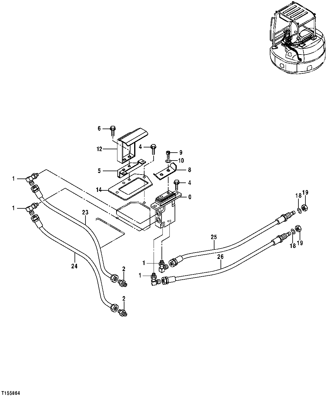
Запчасти John Deere 554 151 - BOOM SWING CONTROL PEDAL 3315 Controls Linkage

Схема запчастей John Deere 554 - 151 - BOOM SWING CONTROL PEDAL 3315 Controls Linkage
FIT
1:1
100%

Артикул

Название

Примечание

Количество

0

4467245

Hyd Actuated Control Valve

COMPONENTS ON ANOTHER PAGE

1шт.

1

4434981

Elbow Fitting

4шт.

M800650

Packing

SUB FOR 957366

4шт.

2

4042030

Adapter Fitting

2шт.

M800650

Packing

SUB FOR 957366

2шт.

4

19M7881

Screw

M8 X 20 SUB FOR J090820 OR J020820

4шт.

Washer

12M7065 NLA

4шт.

24M7055

Washer

8.400 X 16 X 1.600 mm

4шт.

5

4468906

Bracket

1шт.

6

19M7407

Cap Screw

M8 X 25 SUB FOR AT256004

2шт.

24M7055

Washer

8.400 X 16 X 1.600 mm

2шт.

Washer

12M7065 NLA

2шт.

8

9758030

Pedal

1шт.

9

19M7647

Screw

M8 X 16 SUB FOR J770816

2шт.

10

Washer

12M7065 NLA

2шт.

12

8087066

Cover

1шт.

14

9758384

Plate

1шт.

18

12M7058

Lock Washer

12 mm SUB FOR 12M7067, SUB FOR J252212

2шт.

19

14M7275

Nut

M12

2шт.

23

4474970

Hydraulic Hose

1шт.

24

4474971

Hydraulic Hose

1шт.

25

4474972

Hydraulic Hose

1шт.

26

4474973

Hydraulic Hose

1шт.

Выбрано товаров: 23