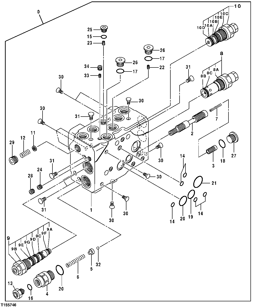
Запчасти John Deere 554 167 - Main Control Valve Components - Relief Valve End Section 3360 HYDRAULIC SYSTEM

Схема запчастей John Deere 554 - 167 - Main Control Valve Components - Relief Valve End Section 3360 HYDRAULIC SYSTEM
FIT
1:1
100%

Артикул

Название

Примечание

Количество

0

4481384

Flow Control Hyd. Valve

Relief Valve End Section

1шт.

1

Housing

1шт.

2

Spool

1шт.

3

Piston

1шт.

4

TH0798401

Retainer

1шт.

5

TH0798402

Valve Seat

1шт.

6

TH0798403

Spring

1шт.

7

TH0798404

Spring

1шт.

8

4478987

Pressure Relief Valve

1шт.

8A

0976602

O-Ring

SUB FOR TH103574 OR AT264354 OR 4S00734, SUB FOR 4509181

1шт.

8B

4154241

O-Ring

1шт.

8C

0842502

Ring

1шт.

9

TH0798405

Flow Control Hyd. Valve

1шт.

9A

CH11569

Packing

SUB FOR 4506409

1шт.

9B

CH12329

Packing

SUB FOR 4506420

1шт.

9C

4154240

O-Ring

1шт.

9D

R69667

O-Ring

SUB FOR 4510167

1шт.

9E

M88993

O-Ring

SUB FOR 4050488

1шт.

9F

4105067

Back-Up Ring

1шт.

9G

0842503

Ring

1шт.

10

0842504

Pressure Relief Valve

1шт.

10A

CH11570

O-Ring

SUB FOR 4509180

1шт.

10B

4506416

O-Ring

1шт.

10C

0976602

O-Ring

SUB FOR TH103574 OR AT264354 OR 4S00734, SUB FOR 4509181

1шт.

10D

4038533

Back-Up Ring

1шт.

10E

4085607

Back-Up Ring

1шт.

11

0798407

Strainer

1шт.

12

0798408

Spring

1шт.

13

0798409

Adjuster

1шт.

14

CH11568

Packing

SUB FOR 4506407

5шт.

15

4506408

O-Ring

1шт.

16

CH17167

O-Ring

SUB FOR 4506320

1шт.

17

M800650

Packing

SUB FOR 957366

2шт.

18

CH11570

O-Ring

SUB FOR 4509180

1шт.

19

4506416

O-Ring

1шт.

20

4506418

O-Ring

2шт.

21

0976602

O-Ring

SUB FOR TH103574 OR AT264354 OR 4S00734, SUB FOR 4509181

1шт.

22

Choke

1шт.

23

Choke

1шт.

24

0798410

Orifice

1шт.

25

0798411

Plug

1шт.

26

0630505

Plug

SUB FOR 0733210

2шт.

27

0798412

Plug

1шт.

28

0798413

Plug

1шт.

29

0474106

Plug

1шт.

30

Plug

10шт.

31

Plug

5шт.

32

0103529

Ball

SUB FOR 0798414

1шт.

33

Choke

1шт.

34

0799404

Plug

1шт.

Выбрано товаров: 50