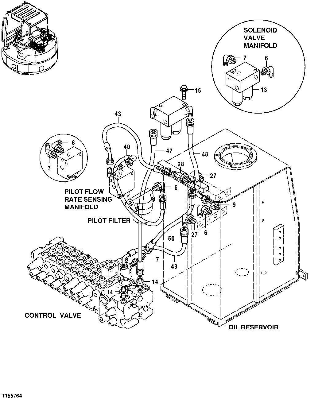
Запчасти John Deere 554 183 - PILOT LINES (CONTROL VALVE, OIL RESERVOIR, FILTER AND VALVES) 3360 HYDRAULIC SYSTEM

Схема запчастей John Deere 554 - 183 - PILOT LINES (CONTROL VALVE, OIL RESERVOIR, FILTER AND VALVES) 3360 HYDRAULIC SYSTEM
FIT
1:1
100%

Артикул

Название

Примечание

Количество

6

4434982

Elbow Fitting

4шт.

4297380

O-Ring

SUB FOR 4622346, 4674883 OR 4509180

4шт.

7

4434981

Elbow Fitting

3шт.

M800650

Packing

SUB FOR 957366

3шт.

9

4042031

Adapter Fitting

1шт.

4297380

O-Ring

SUB FOR 4622346, 4674883 OR 4509180

1шт.

13

4615209

Solenoid Valve

SUB FOR 4415398; SOLENOID VALVE MA NIFOLD; COMPONENTS ON ANOTHER PAGE

1шт.

14

4042030

Adapter Fitting

2шт.

M800650

Packing

SUB FOR 957366

2шт.

15

19M7938

Cap Screw

M10 X 20 SUB FOR J051020

2шт.

24M7096

Washer

10.500 X 18 X 1.600 mm

2шт.

12M7066

Lock Washer

10 mm

2шт.

27

4434984

Elbow Fitting

2шт.

4297380

O-Ring

SUB FOR 4622346, 4674883 OR 4509180

2шт.

28

4173014

Elbow Fitting

1шт.

4297380

O-Ring

SUB FOR 4622346, 4674883 OR 4509180

1шт.

40

4474935

Hydraulic Hose

1шт.

43

4474938

Hydraulic Hose

1шт.

47

4474942

Hydraulic Hose

1шт.

48

4474943

Hydraulic Hose

1шт.

49

4474944

Hydraulic Hose

1шт.

50

4474945

Hydraulic Hose

1шт.

Выбрано товаров: 0