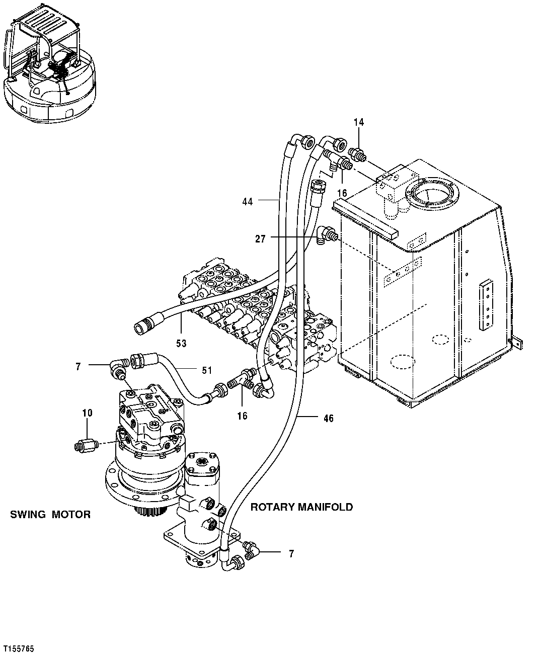
Запчасти John Deere 554 185 - PILOT LINES (CONTROL VALVE, SOLENOID VALVE, SWING MOTOR AND ROTARY MANIFOLD) 3360 HYDRAULIC SYSTEM

Схема запчастей John Deere 554 - 185 - PILOT LINES (CONTROL VALVE, SOLENOID VALVE, SWING MOTOR AND ROTARY MANIFOLD) 3360 HYDRAULIC SYSTEM
FIT
1:1
100%

Артикул

Название

Примечание

Количество

7

4434981

Elbow Fitting

2шт.

M800650

Packing

SUB FOR 957366

2шт.

10

4368210

Adapter Fitting

1шт.

4297380

O-Ring

SUB FOR 4622346, 4674883 OR 4509180

1шт.

14

4042030

Adapter Fitting

1шт.

M800650

Packing

SUB FOR 957366

1шт.

16

4406156

Tee Fitting

2шт.

M800650

Packing

SUB FOR 957366

2шт.

27

4434984

Elbow Fitting

1шт.

4297380

O-Ring

SUB FOR 4622346, 4674883 OR 4509180

1шт.

44

4474939

Hydraulic Hose

1шт.

46

4474941

Hydraulic Hose

1шт.

51

4474946

Hydraulic Hose

1шт.

53

4474947

Hydraulic Hose

1шт.

Выбрано товаров: 0