Запчасти John Deere 554 9 - Undercarriage Hardware 0260 AXLES AND SUSPENSION SYSTEM HYDRAULICS

Схема запчастей John Deere 554 - 9 - Undercarriage Hardware 0260 AXLES AND SUSPENSION SYSTEM HYDRAULICS
FIT
1:1
100%

Артикул

Название

Примечание

Количество

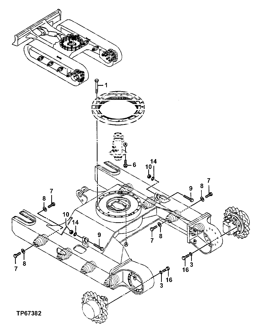
1

19M8322

Cap Screw

M12 X 80

20шт.

3

12M7058

Lock Washer

12 mm (SUB FOR 12M7067) (SUB FOR J252212)

26шт.

6

19M7550

Cap Screw

M10 X 35 (SUB FOR 19M7662, THIS APPLI CATION, J27 OR , AT255973, 1030 J90103 0) (SUB FOR J901035, J271035, 4609015)

4шт.

24M7346

Washer

11 X 20 X 2 mm (SUB FOR J222010 ) (SUB FOR 12M7066, THIS APPLICATION)

4шт.

7

T116332

Bolt

(SUB FOR J981840)

16шт.

8

24H1236

Washer

13/16" X 2" X 0.149"

16шт.

9

19M4789

Cap Screw

M14 X 80

2шт.

10

14M7435

Nut

M14 (SUB FOR J231214)

2шт.

14

12M7068

Lock Washer

14 mm (SUB FOR J252214)

2шт.

16

19M7493

Cap Screw

M12 X 40

26шт.

Выбрано товаров: 10