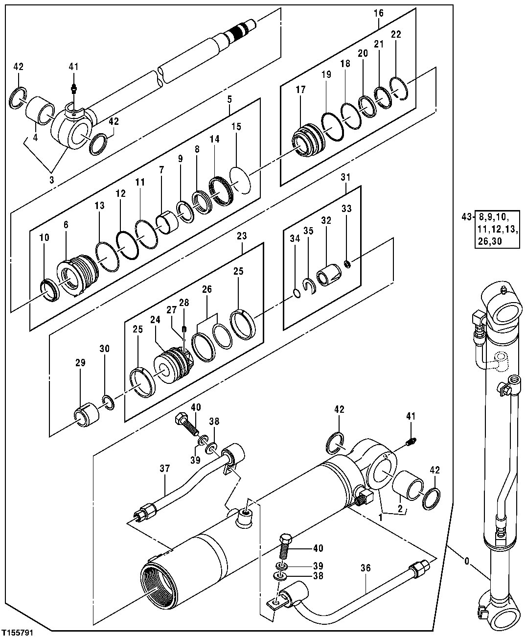
Запчасти John Deere 554 201 - Arm Cylinder 3360 HYDRAULIC SYSTEM

Схема запчастей John Deere 554 - 201 - Arm Cylinder 3360 HYDRAULIC SYSTEM
FIT
1:1
100%

Артикул

Название

Примечание

Количество

0

4468846

Hydraulic Cylinder

1шт.

1

Hydraulic Cylinder Barrel

0844601 NOT AVAILABLE FOR SERVICE

1шт.

2

4332744

Bushing

1шт.

3

0844602

Rod

1шт.

4

4332744

Bushing

1шт.

5

0745003

Hydr. Cylinder Rod Guide

1шт.

6

0656703

Hydr. Cylinder Rod Guide

1шт.

7

0843809

Bushing

SUB FOR 0478703

1шт.

8

0656704

Packing

1шт.

9

0843603

Ring

1шт.

10

0662901

Seal

1шт.

11

0656705

O-Ring

1шт.

12

0405207

Ring

SUB FOR 0480904

1шт.

13

CH17160

Packing

SUB FOR 0478712

1шт.

14

0480905

Ring

1шт.

15

0480906

Ring

1шт.

16

Retainer

0843604 NO LONGER AVAILABLE FOR SER VICE - FURNISH INDIVIDUAL COMPONENTS

1шт.

17

0656706

Retainer

1шт.

18

A811070

O-Ring

SUB FOR 0656707

1шт.

19

0405207

Ring

SUB FOR 0480904

1шт.

20

0478713

Ring

1шт.

21

0478714

Spacer

1шт.

22

0478715

Ring

1шт.

23

Piston

0843605 NO LONGER AVAILABLE FOR SER VICE - FURNISH INDIVIDUAL COMPONENTS

1шт.

24

0843606

Piston

1шт.

25

0480912

Ring

2шт.

26

0380915

Ring

SUB FOR 0480913

1шт.

27

0370110

Ball

SUB FOR 0478719

1шт.

28

ER046420

Set Screw

SUB FOR 0479214

1шт.

29

0656709

Bearing

1шт.

30

0656710

Back-Up Ring

1шт.

31

Bearing

0843607 NO LONGER AVAILABLE FOR SER VICE - FURNISH INDIVIDUAL COMPONENTS

1шт.

32

0843608

Bearing

1шт.

33

0843609

Stop

2шт.

34

0843610

Seal

1шт.

35

0843611

Ring

1шт.

36

0843612

Line

1шт.

37

0735503

Oil Line

1шт.

38

0479104

Washer

2шт.

39

0662904

Washer

2шт.

40

19M7268

Cap Screw

M12 X 25 SUB FOR 0662905

2шт.

41

0429920

Lubrication Fitting

2шт.

42

AT318033

Seal

SUB FOR 0478912 OR 4117955

4шт.

43

0843613

Seal Kit

1шт.

Выбрано товаров: 44