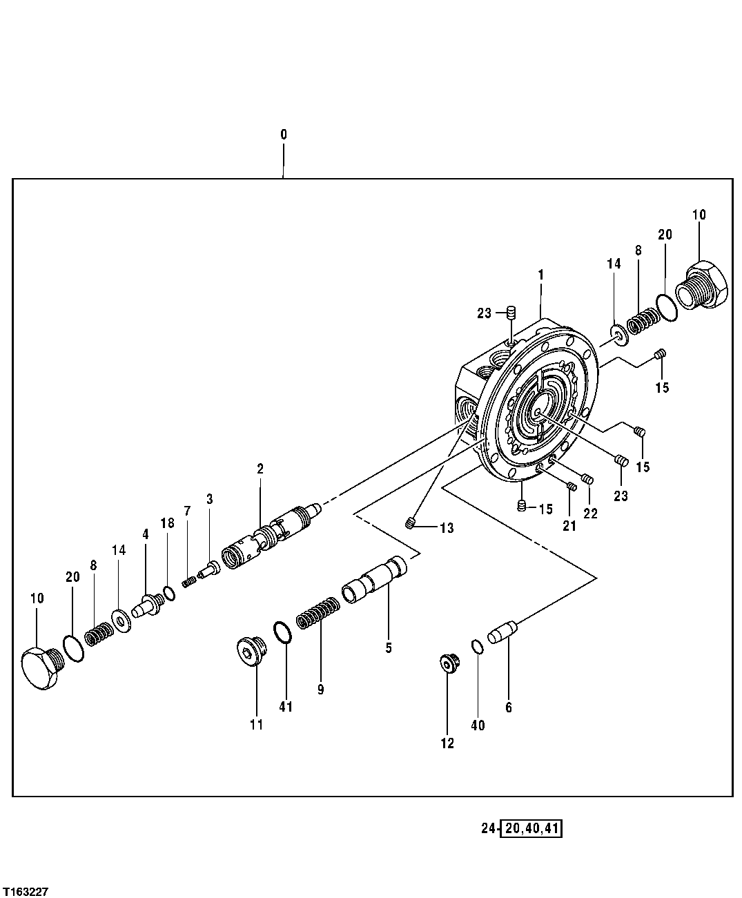
Запчасти John Deere 554 13 - PROPEL MOTOR BRAKE VALVE HOUSING 0260 AXLES AND SUSPENSION SYSTEM HYDRAULICS

Схема запчастей John Deere 554 - 13 - PROPEL MOTOR BRAKE VALVE HOUSING 0260 AXLES AND SUSPENSION SYSTEM HYDRAULICS
FIT
1:1
100%

Артикул

Название

Примечание

Количество

0

0730708

Bed Liner

(INCLUDES 0426906 AND 0474202)

1шт.

1

Housing

1шт.

2

Spool

1шт.

3

Check Valve

2шт.

4

Guide

2шт.

5

Spool

1шт.

6

Spool

1шт.

7

Spring

2шт.

8

0658404

Spring

2шт.

9

0749001

Spring

1шт.

10

0636505

Fitting Plug

2шт.

11

0636506

Fitting Plug

2шт.

12

0636507

Fitting Plug

2шт.

13

Choke

2шт.

14

0636508

Washer

2шт.

15

Plug

6шт.

18

4140470

O-Ring

2шт.

20

966689

O-Ring

2шт.

21

Choke

1шт.

22

Choke

1шт.

23

Plug

2шт.

24

0730711

Seal Kit

(KIT ALSO CONTAINS PARTS ON PREVIOUS PAGE)

1шт.

40

4506408

O-Ring

1шт.

41

CH11570

O-Ring

1шт.

Выбрано товаров: 24