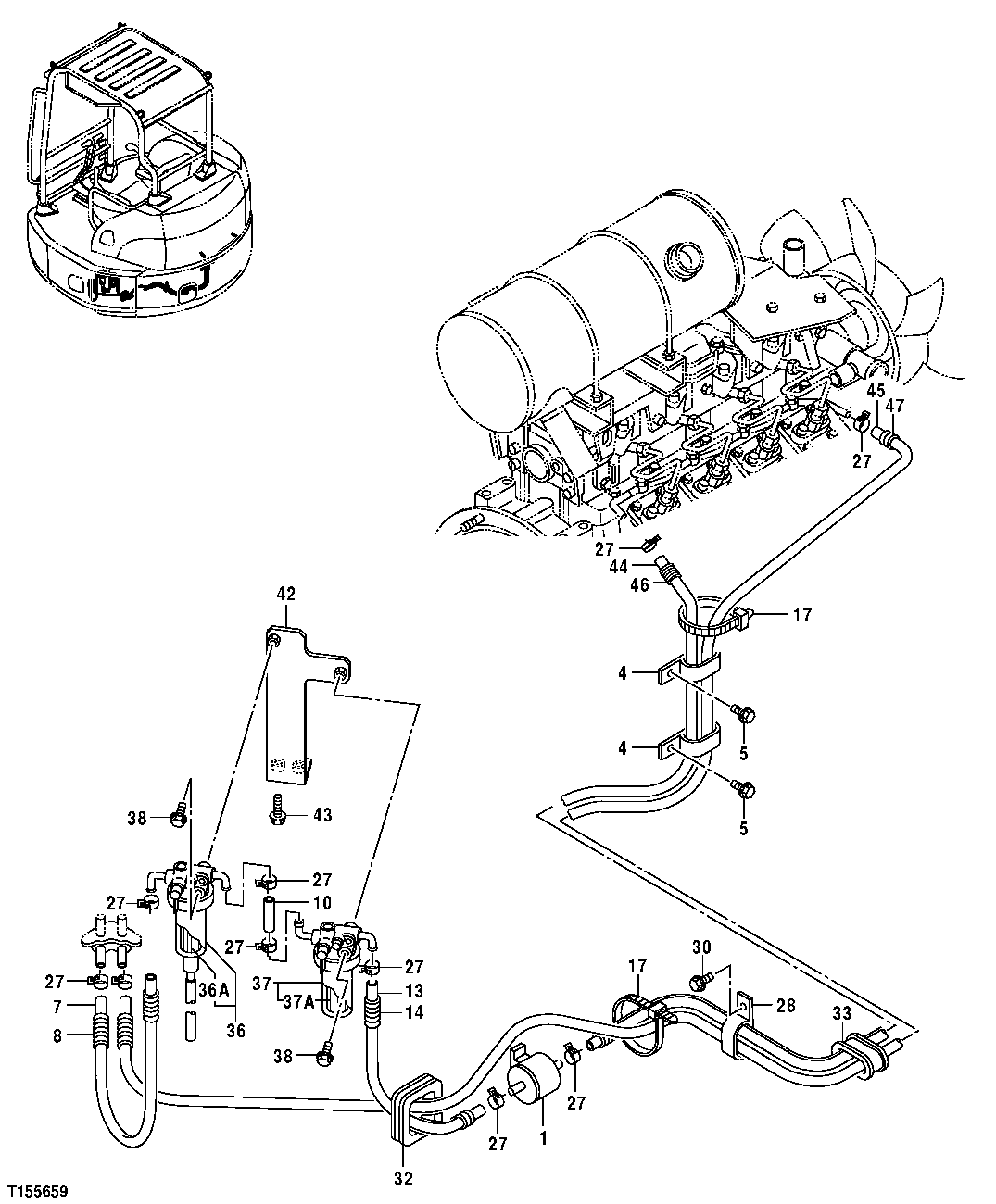
Запчасти John Deere 554 54 - Fuel Lines 0560 EXTERNAL FUEL SUPPLY SYSTEM

Схема запчастей John Deere 554 - 54 - Fuel Lines 0560 EXTERNAL FUEL SUPPLY SYSTEM
FIT
1:1
100%

Артикул

Название

Примечание

Количество

1

8971491820

Fuel Pump

SUB FOR AT254967, SUB FOR 4409424, SUB FOR 8971491820

1шт.

4

XCL-29

Hose Clamp

SUB FOR AT131725 OR 41 93848, SUB FOR 4190291

2шт.

5

19M8324

Cap Screw

M10 X 16 SUB FOR AT255971

2шт.

12M7066

Lock Washer

10 mm

2шт.

7

Hose

SUB FOR 4352772, MF TY24398, CUT TO LENGTH

1шт.

8

4400457

Hose Guard

1шт.

10

Hose

FURNISH TY22551 BULK MATERIAL CUT TO 305 M M LENGTH, 4349593 NOT AVAILABLE FOR SERVICE

1шт.

13

Hose

FURNISH TY24398, CUT TO LENGTH, 4478723 NOT AVAILABLE FOR SERVICE

1шт.

14

4478722

Sleeve

1шт.

17

H77698

Tie Band

2шт.

27

4339258

Hose Clamp

10шт.

28

T32854

Clamp

SUB FOR 4190282

1шт.

30

19M7881

Screw

M8 X 20 SUB FOR J090820 OR J020820

1шт.

Washer

12M7065 NLA

1шт.

24M7055

Washer

8.400 X 16 X 1.600 mm

1шт.

32

4205082

Grommet

1шт.

33

4393101

Grommet

1шт.

36

8973112542

Filter

SUB FOR 8973112541, COM PONENTS ON ANOTHER PAGE

1шт.

36A

8943602540

Filter Element

SUB FOR 4418776

1шт.

37

8971788182

Fuel Filter

SUB FOR AT254971, 8971788181 , COMPONENTS ON ANOTHER PAGE

1шт.

37A

8970713480

Filter Element

SUB FOR AT256025

1шт.

38

19M7663

Cap Screw

M8 X 70 SUB FOR AT256008

2шт.

24M7055

Washer

8.400 X 16 X 1.600 mm

2шт.

Washer

12M7065 NLA

2шт.

42

8088301

Bracket

1шт.

43

19M7881

Screw

M8 X 20 SUB FOR J090820 OR J020820

2шт.

Washer

12M7065 NLA

2шт.

24M7055

Washer

8.400 X 16 X 1.600 mm

2шт.

44

Hose

FURNISH TY24398, CUT TO LENGTH, 4346564 NOT AVAILABLE FOR SERVICE

1шт.

45

Hose

FURNISH TY24398, CUT TO LENGTH, 4346829 NOT AVAILABLE FOR SERVICE

1шт.

46

4346674

Sleeve

1шт.

47

4468586

Sleeve

1шт.

Выбрано товаров: 32