Запчасти John Deere 554 57 - LABELS AND DECALS (TOPS CANOPY) 1322 DECALS AND TRADEMARKS

Схема запчастей John Deere 554 - 57 - LABELS AND DECALS (TOPS CANOPY) 1322 DECALS AND TRADEMARKS
FIT
1:1
100%

Артикул

Название

Примечание

Количество

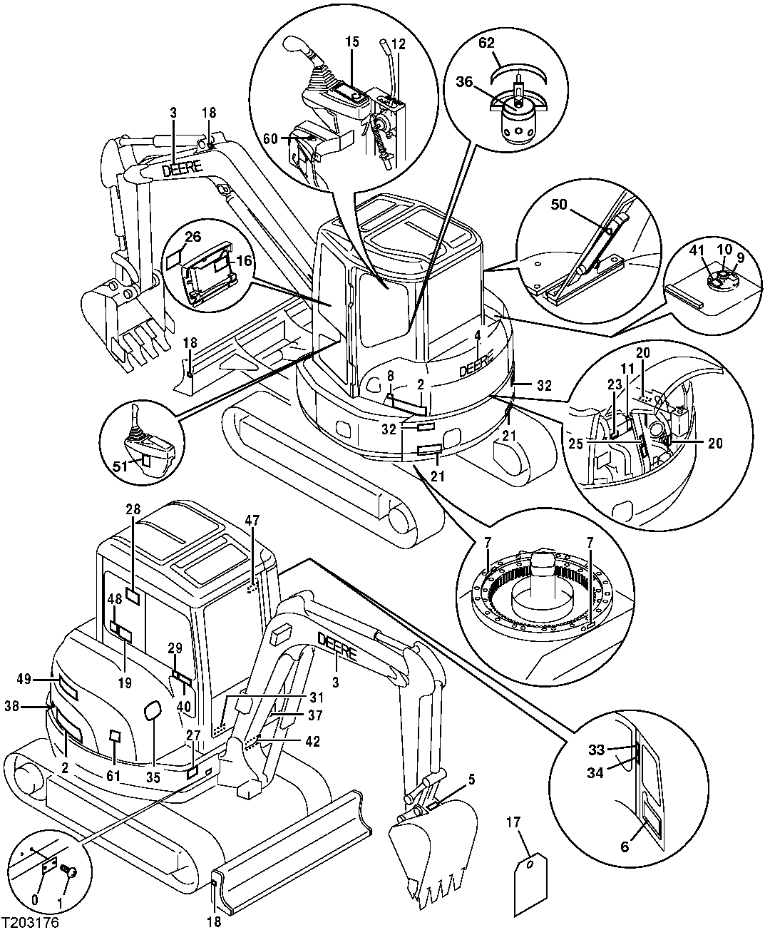
0

Serial Number Plate

1шт.

1

M492964

Cap Screw

2шт.

2

2049916

Label

MODEL (RH) (SUB FOR T191141)

1шт.

2049916

Label

MODEL (LH) (SUB FOR T191140 OR 2049917)

1шт.

3

T183799

Label

DEERE

2шт.

4

T187389

Label

DEERE

1шт.

5

T208596

Safety Sign

(SUB FOR T185672)(QUICK ATTACH)

1шт.

6

2049194

Label

PERIODIC MAINTENACE

1шт.

7

4409544

Label

SWING BEARING LUBRICATION

2шт.

8

4431898

Label

DIESEL ONLY

1шт.

9

T101942

Label

HYDRAULIC OIL ONLY (SUB FOR 4223254)

1шт.

10

4431916

Label

(HYDRAULIC OIL)

1шт.

11

3088018

Label

IMPORTANT - COOLING SYSTEM

1шт.

12

4334011

Label

THROTTLE SPEED

1шт.

15

4486758

Label

KEY SWITCH

1шт.

16

4486759

Label

FUSE LOCATION DIAGRAM

1шт.

17

3059274

Label

INSPECTION

1шт.

18

4357593

Label

LIFT HOOK LOCATIONS

3шт.

19

T146667

Safety Sign

DANGER (ELECTROCUTION)

1шт.

20

4604980

Label

CAUTION - RADIATOR CAP

2шт.

21

2044813

Label

STAY CLEAR

2шт.

23

4433590

Label

CAUTION - HOT SURFACES

1шт.

25

4450833

Label

DRY AIR CLEANER

1шт.

26

T159887

Safety Sign

CAUTION

1шт.

27

4422323

Label

ATTACHMENT RETURN FLOW SELECTOR

1шт.

28

3087553

Label

LIFTING CAPACITY CHART

1шт.

29

4439188

Label

DOZER BLADE

1шт.

31

4369061

Label

BOOM SWING PEDAL (RIGHT)

1шт.

32

JD5909

Reflector

RED (SUB FOR 4386712)

2шт.

33

3097857

Label

TOPS

1шт.

34

T146097

Label

SEAT BELT (SUB FOR 3088058)

1шт.

35

JD5770

Label

JOHN DEERE LOGO

1шт.

36

4605065

Label

ENGINE STOP - PATTERN C HANGE (SUB FOR 4450821)

1шт.

37

4604993

Label

(AUXILIARY HYDRAULIC FOOT PEDAL (LEFT)

1шт.

38

4478619

Label

ALIGNMENT ARROWS

2шт.

40

T201519

Label

(SUB FOR 4459646)BACKHOE/ EXCAVATOR OPERATOR PATTERN

1шт.

41

4430516

Label

CAUTION - HYDRAULIC CAP

1шт.

42

3090482

Label

WARNING - SWING AREA

1шт.

49

4487455

Label

HOOD OPENING PROCEDURE

1шт.

50

4487456

Label

ARROW DISENGAGE

1шт.

51

4295807

Label

LEVER LOCK

1шт.

61

4487488

Label

CONTROL LEVER PATTERN

1шт.

62

4482701

Label

BACKHOE/EXCAVATOR PATTERN INDICATOR

1шт.

Выбрано товаров: 43