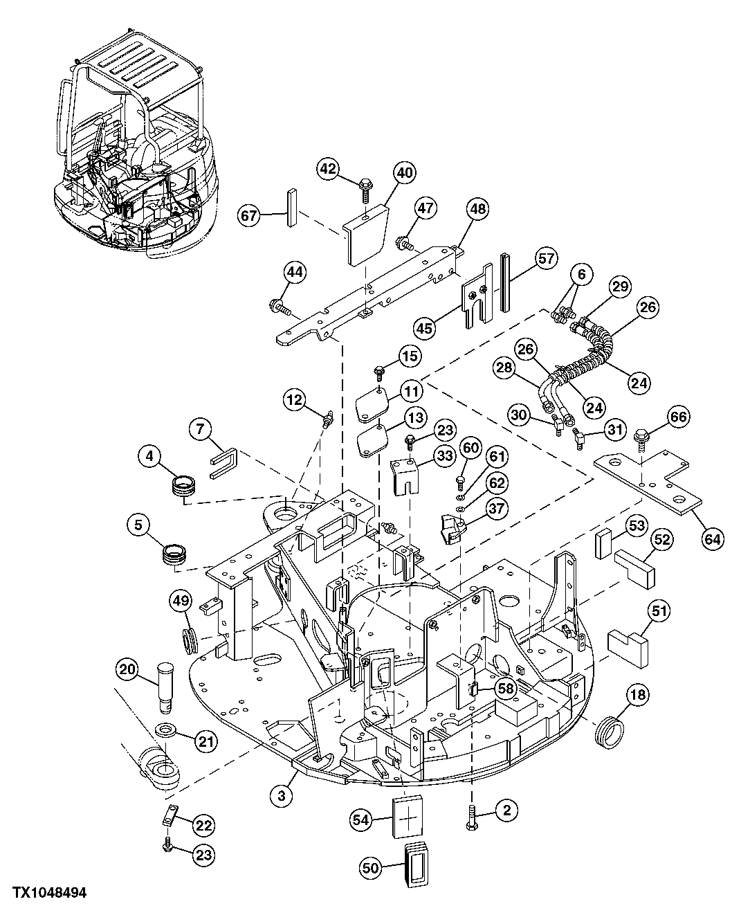
Запчасти John Deere 5C ZTS 67 - Main Frame 1742 EQUIPMENT OR SECONDARY FRAME (VEHICLE)

Схема запчастей John Deere 5C ZTS - 67 - Main Frame 1742 EQUIPMENT OR SECONDARY FRAME (VEHICLE)
FIT
1:1
100%

Артикул

Название

Примечание

Количество

2

19M7362

Cap Screw

M12 X 55

24шт.

3

8088370

Frame

1шт.

4

4418381

Bushing

1шт.

5

4418380

Bushing

1шт.

6

Fitting

4331915 NLA SUB (2) 4606713 AND (2) 4603037

2шт.

7

4428574

Seal

1шт.

11

4255799

Cover

1шт.

12

TH100074

Lubrication Fitting

4шт.

13

4161735

Gasket

1шт.

15

19M7402

Cap Screw

M10 X 25

2шт.

24M7096

Washer

10.500 X 18 X 1.600 mm

2шт.

12M7066

Lock Washer

10 mm

2шт.

18

4338863

Bushing

1шт.

20

4418393

Pin Fastener

1шт.

21

4418395

Spacer

1шт.

22

4344313

Plate

1шт.

23

19M8011

Cap Screw

M12 X 30

4шт.

12M7058

Lock Washer

12 mm

4шт.

24

H77698

Tie Band

2шт.

26

4428575

Hose Guard

2шт.

28

Hydraulic Hose

4467388 NLA ORDER 4606713, FY D00003698 AND FYD00000226 (2)

1шт.

FYD00000247

Tube

SUB FOR 4603037 AND 4603036 , ALSO ORDER FYD00000226 (2)

1шт.

FYD00000226

Fitting

2шт.

4606713

Elbow Fitting

1шт.

FYD00003698

Tube

1шт.

29

Hydraulic Hose

4467389 NLA ORDER 4606713, FY D00000245 AND FYD00000226 (2)

1шт.

FYD00000247

Tube

SUB FOR 4603037, ALSO ORDER FYD00000226 (2)

1шт.

FYD00000226

Fitting

2шт.

4606713

Elbow Fitting

1шт.

FYD00000245

Tube

1шт.

30

Elbow Fitting

4331916 NLA SUB 4606713 AND 4603037

1шт.

31

Elbow Fitting

4354676 NLA SUB 4606713 AND 4603037

1шт.

33

4324636

Bracket

1шт.

37

4472183

Cover

1шт.

40

4472182

Plate

1шт.

42

19M7407

Cap Screw

M8 X 25

1шт.

24M7055

Washer

8.400 X 16 X 1.600 mm

1шт.

12M7056

Lock Washer

8 mm

1шт.

44

19M7493

Cap Screw

M12 X 40

3шт.

24M7044

Washer

13 X 20 X 2 mm

3шт.

12M7058

Lock Washer

12 mm

3шт.

45

9758017

Plate

1шт.

47

19M7407

Cap Screw

M8 X 25

2шт.

24M7055

Washer

8.400 X 16 X 1.600 mm

2шт.

12M7056

Lock Washer

8 mm

2шт.

48

7042763

Bracket

1шт.

49

4255567

Bushing

SUB FOR 4255530

1шт.

50

4467987

Bushing

1шт.

51

4467291

Isolator

1шт.

52

4467292

Isolator

1шт.

53

4467980

Isolator

1шт.

54

4472223

Isolator

1шт.

57

4472184

Isolator

1шт.

58

4431046

Isolator

1шт.

60

19M7938

Cap Screw

M10 X 20

1шт.

61

12M7066

Lock Washer

10 mm

1шт.

62

24M7028

Washer

10.500 X 20 X 2 mm SUB FOR 12M7096

1шт.

64

4467453

Bracket

1шт.

66

19M7493

Cap Screw

M12 X 40

2шт.

24M7044

Washer

13 X 20 X 2 mm

2шт.

12M7058

Lock Washer

12 mm

2шт.

67

4479127

Isolator

1шт.

Выбрано товаров: 62