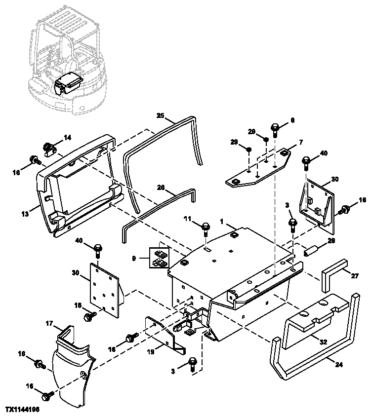
Запчасти John Deere 5C ZTS 86 - Seat Base 1821 Seat And Seat Belts

Схема запчастей John Deere 5C ZTS - 86 - Seat Base 1821 Seat And Seat Belts
FIT
1:1
100%

Артикул

Название

Примечание

Количество

1

6020727

Bracket

1шт.

3

19M7402

Cap Screw

M10 X 25

5шт.

12M7066

Lock Washer

10 mm

5шт.

24M7096

Washer

10.500 X 18 X 1.600 mm

5шт.

7

9758658

Plate

1шт.

8

19M7881

Screw

M8 X 20

2шт.

12M7056

Lock Washer

8 mm

2шт.

24M7036

Washer

9 X 16 X 1.600 mm

2шт.

9

9763515

Spacer

SUB FOR 4473574AND 9756170

1шт.

11

19M7268

Cap Screw

M12 X 25

2шт.

12M7006

Lock Washer

6 mm

2шт.

24M7054

Washer

6.400 X 12 X 1.600 mm

2шт.

13

7040856

Cover

1шт.

14

4423918

Lock

1шт.

16

19M7932

Cap Screw

M8 X 16 SUB FOR J090816

13шт.

24M7055

Washer

8.400 X 16 X 1.600 mm

13шт.

Washer

12M7065 NLA

13шт.

17

1030188

Cover

1шт.

19

4467651

Plate

1шт.

24

4468099

Isolator

1шт.

25

4477249

Isolator

1шт.

26

4477250

Isolator

1шт.

27

4478972

Isolator

1шт.

28

4288797

Isolator

1шт.

29

4195198

Bushing

2шт.

30

8090600

Bracket

2шт.

32

4468803

Isolator

1шт.

40

19M7881

Screw

M8 X 20

4шт.

12M7056

Lock Washer

8 mm

4шт.

24M7036

Washer

9 X 16 X 1.600 mm

4шт.

Выбрано товаров: 30