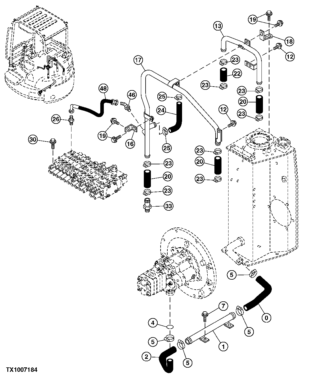
Запчасти John Deere 5C ZTS 108 - OIL RESERVOIR HYDRAULIC HOSES AND LINES 2163 HYD LINES & HOSES

Схема запчастей John Deere 5C ZTS - 108 - OIL RESERVOIR HYDRAULIC HOSES AND LINES 2163 HYD LINES & HOSES
FIT
1:1
100%

Артикул

Название

Примечание

Количество

0

3085283

Hose

1шт.

1

8075555

Line

1шт.

2

3085282

Hose

1шт.

4

CH14701

O-Ring

1шт.

5

TY22470

Clamp

4шт.

7

19M7938

Cap Screw

M10 X 20 (SUB FOR J051020)

2шт.

24M7096

Washer

10.500 X 18 X 1.600 mm

2шт.

12M7066

Lock Washer

10 mm

2шт.

12

19M7881

Screw

M8 X 20

3шт.

12M7056

Lock Washer

8 mm

3шт.

24M7036

Washer

9 X 16 X 1.600 mm

3шт.

13

8086633

Line

1шт.

16

4467007

Bracket

1шт.

17

8086625

Line

1шт.

18

4467004

Bracket

1шт.

19

19M7881

Screw

M8 X 20

5шт.

12M7056

Lock Washer

8 mm

5шт.

24M7036

Washer

9 X 16 X 1.600 mm

5шт.

20

4120247

Hose

3шт.

22

4120247

Hose

(SUB FOR 4418644)

1шт.

23

TY22467

Clamp

8шт.

24

Bulk Hose

( 4472668 NLA) (MAKE FROM TY 22424 (CTL) 167.64MM (6.6"))

1шт.

25

TY22467

Clamp

2шт.

26

4042032

Adapter Fitting

1шт.

4506418

O-Ring

1шт.

30

19M7402

Cap Screw

M10 X 25

4шт.

24M7096

Washer

10.500 X 18 X 1.600 mm

4шт.

12M7066

Lock Washer

10 mm

4шт.

33

4420493

Fitting

1шт.

4506418

O-Ring

1шт.

46

4081336

Elbow Fitting

1шт.

4506418

O-Ring

1шт.

48

4476397

Hose

1шт.

Выбрано товаров: 0