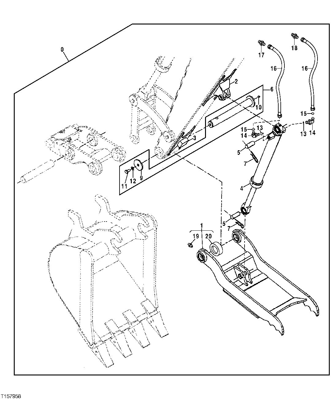
Запчасти John Deere 5C ZTS 133 - Hydraulic Bucket Clamp 3302 Bucket With Teeth

Схема запчастей John Deere 5C ZTS - 133 - Hydraulic Bucket Clamp 3302 Bucket With Teeth
FIT
1:1
100%

Артикул

Название

Примечание

Количество

0

Clamp

( AT280186 NLA) (ORDER AT308601 WHOLE GOODS)

1шт.

1

AT316569

Clamp

(SUB FOR AT191401 OR AT309144)

1шт.

2

T185261

Plate

1шт.

3

T185262

Plate

1шт.

4

AH216639

Hydraulic Cylinder

(ALSO ORDER 38H1309 AND AT3221 65 ) (SUB FOR AT191402 OR AT309 145)(COMPONENTS ON ANOTHER PAGE )

1шт.

5

T185222

Pin

2шт.

6

AT317651

Pin Fastener

1шт.

7

AT260407

Spring Locking Pin

2шт.

9

L77320

Washer

13 X 72 X 8 mm (0.512" X 2.835" X 0.315")

1шт.

10

AT260410

Lubrication Fitting

1шт.

11

19H2472

Cap Screw

1/2" X 1"

1шт.

12

12H301

Lock Washer

1/2"

1шт.

13

R28782

O-Ring

2шт.

14

38H1435

Elbow Fitting

2шт.

15

T77613

O-Ring

2шт.

16

AT280275

Hydraulic Hose

2шт.

17

M131862

Hyd. Quick-Connect Coupler

Female

1шт.

18

M131863

Hydr. Quick Coupler Plug

Male

1шт.

19

AT260410

Lubrication Fitting

2шт.

20

T185267

Bushing

2шт.

Выбрано товаров: 20