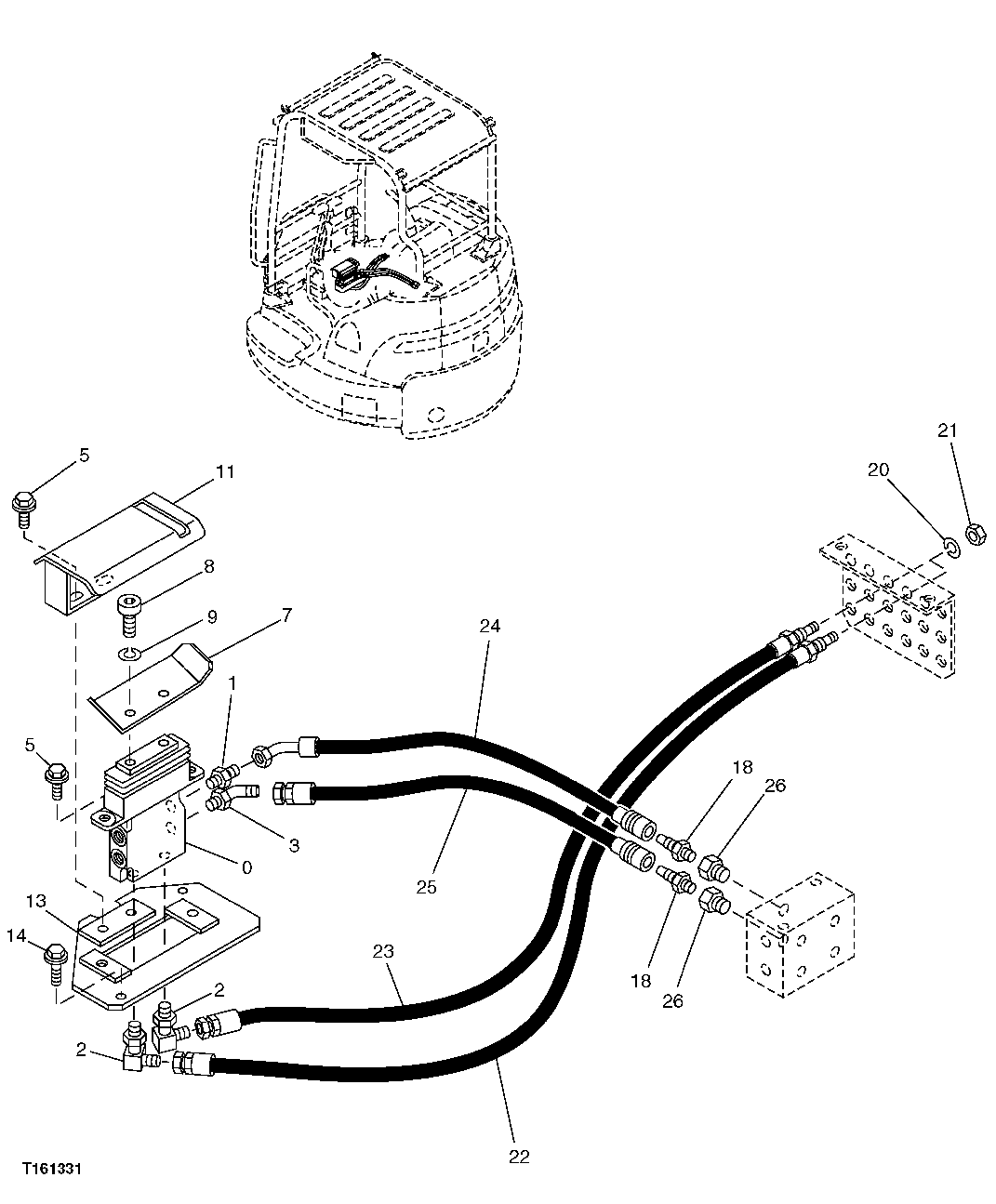
Запчасти John Deere 5C ZTS 157 - AUXILIARY CONTROL AND PEDAL HOSES 3315 Controls Linkage

Схема запчастей John Deere 5C ZTS - 157 - AUXILIARY CONTROL AND PEDAL HOSES 3315 Controls Linkage
FIT
1:1
100%

Артикул

Название

Примечание

Количество

0

4467245

Hyd Actuated Control Valve

COMPONENTS ON ANOTHER PAGE

1шт.

1

4042030

Adapter Fitting

1шт.

M800650

Packing

1шт.

2

4434981

Elbow Fitting

2шт.

M800650

Packing

1шт.

3

4108100

Elbow Fitting

1шт.

M800650

Packing

1шт.

5

19M7866

Screw

M8 X 20 SUB FOR J050820, AL SO ORDER 24M7036 AND 12M7065

4шт.

24M7036

Washer

9 X 16 X 1.600 mm

4шт.

Washer

12M7065 NLA

4шт.

7

9758030

Pedal

1шт.

8

J770816

Bolt

2шт.

9

12M7056

Lock Washer

8 mm

2шт.

11

8086698

Cover

1шт.

13

8086749

Plate

1шт.

14

19M7402

Cap Screw

M10 X 25

2шт.

12M7066

Lock Washer

10 mm

2шт.

24M7096

Washer

10.500 X 18 X 1.600 mm

2шт.

18

4467369

Adapter Fitting

2шт.

M800650

Packing

ARшт.

20

12M7058

Lock Washer

12 mm

2шт.

21

14M7275

Nut

M12

2шт.

22

4472995

Hydraulic Hose

1шт.

23

4472996

Hydraulic Hose

1шт.

24

4472997

Hydraulic Hose

1шт.

25

4472998

Hydraulic Hose

1шт.

26

4263446

Reducer

2шт.

CH11570

O-Ring

1шт.

Выбрано товаров: 28