Качественные детали и логистика
Оригинальные и аналоговые запчасти с доставкой по России, Казахстану и Беларуси
©2022 PartSell ООО "Система" ИНН 2463123282 ОГРН 1212400004838
Центральный офис: г. Красноярск, Академика Киренского, д.87, пом.4
Телефон: 8 (800) 777-65-74 Email: zakaz@partsell.ru
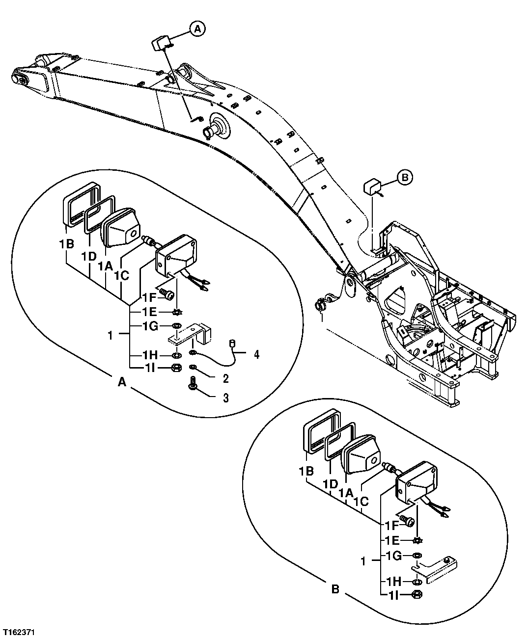
81 - BOOM LIGHTS
№
Артикул
Название
Примечание
Количество
1
4326800
Lamp
(SUB FOR 4336570)
2шт.
1A
4326801
Lens
1шт.
1B
4326802
Frame
1C
AT135758
Bulb
(SUB FOR 4285648)
1D
4326803
Gasket
1E
4307026
Washer
1F
37H19
Screw
(SUB FOR 4307027)
1G
24M7085
15 X 28 X 2.500 mm (SUB FOR A590114)
1H
12H317
Lock Washer
9/16" (SUB FOR A590914)
1I
14M7345
Nut
M14 (SUB FOR J952014)
2
21M7285
M6 X 12 (SUB FOR M430613)
3
12M7006
6 mm (SUB FOR A590906)
4
4254604
Wiring Harness
Выбрано товаров: 0