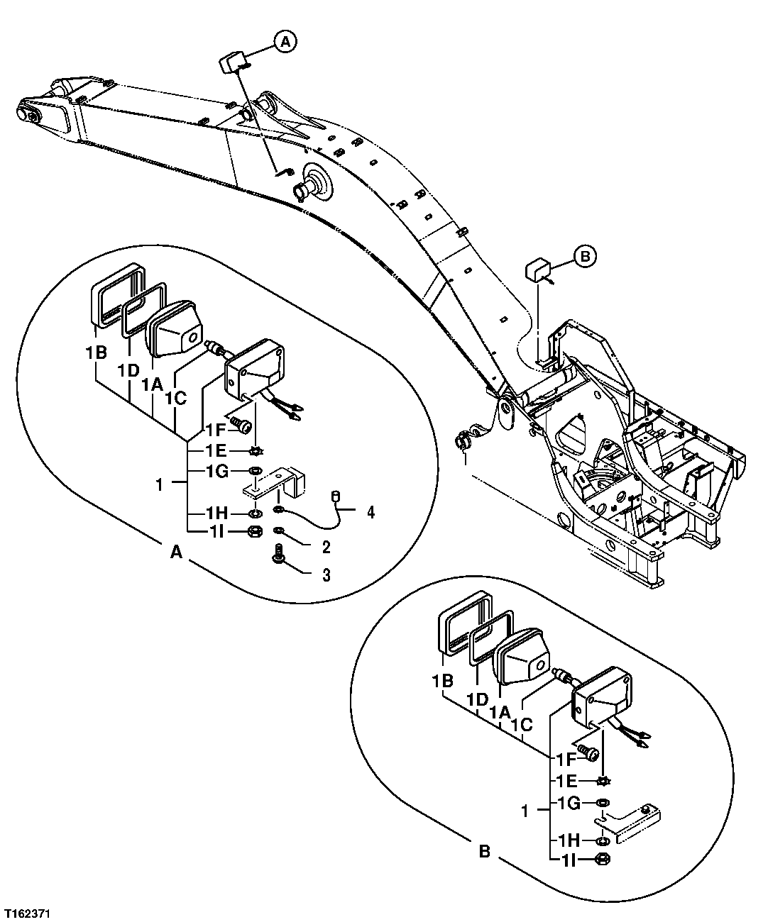
Запчасти John Deere 35D 81 - BOOM LIGHTS 1673 VEHICLE LIGHTING SYSTEM

Схема запчастей John Deere 35D - 81 - BOOM LIGHTS 1673 VEHICLE LIGHTING SYSTEM
FIT
1:1
100%

Артикул

Название

Примечание

Количество

1

4326800

Lamp

(SUB FOR 4336570)

2шт.

1A

4326801

Lens

1шт.

1B

4326802

Frame

1шт.

1C

AT135758

Bulb

(SUB FOR 4285648)

1шт.

1D

4326803

Gasket

1шт.

1E

4307026

Washer

1шт.

1F

37H19

Screw

(SUB FOR 4307027)

1шт.

1G

24M7085

Washer

15 X 28 X 2.500 mm (SUB FOR A590114)

1шт.

1H

12H317

Lock Washer

9/16" (SUB FOR A590914)

1шт.

1I

14M7345

Nut

M14 (SUB FOR J952014)

1шт.

2

21M7285

Screw

M6 X 12 (SUB FOR M430613)

1шт.

3

12M7006

Lock Washer

6 mm (SUB FOR A590906)

1шт.

4

4254604

Wiring Harness

1шт.

Выбрано товаров: 13