Запчасти John Deere 35D 103 - CAB COMPONENTS (FRONT WINDOW) 1810 OPERATOR ENCLOSURE

Схема запчастей John Deere 35D - 103 - CAB COMPONENTS (FRONT WINDOW) 1810 OPERATOR ENCLOSURE
FIT
1:1
100%

Артикул

Название

Примечание

Количество

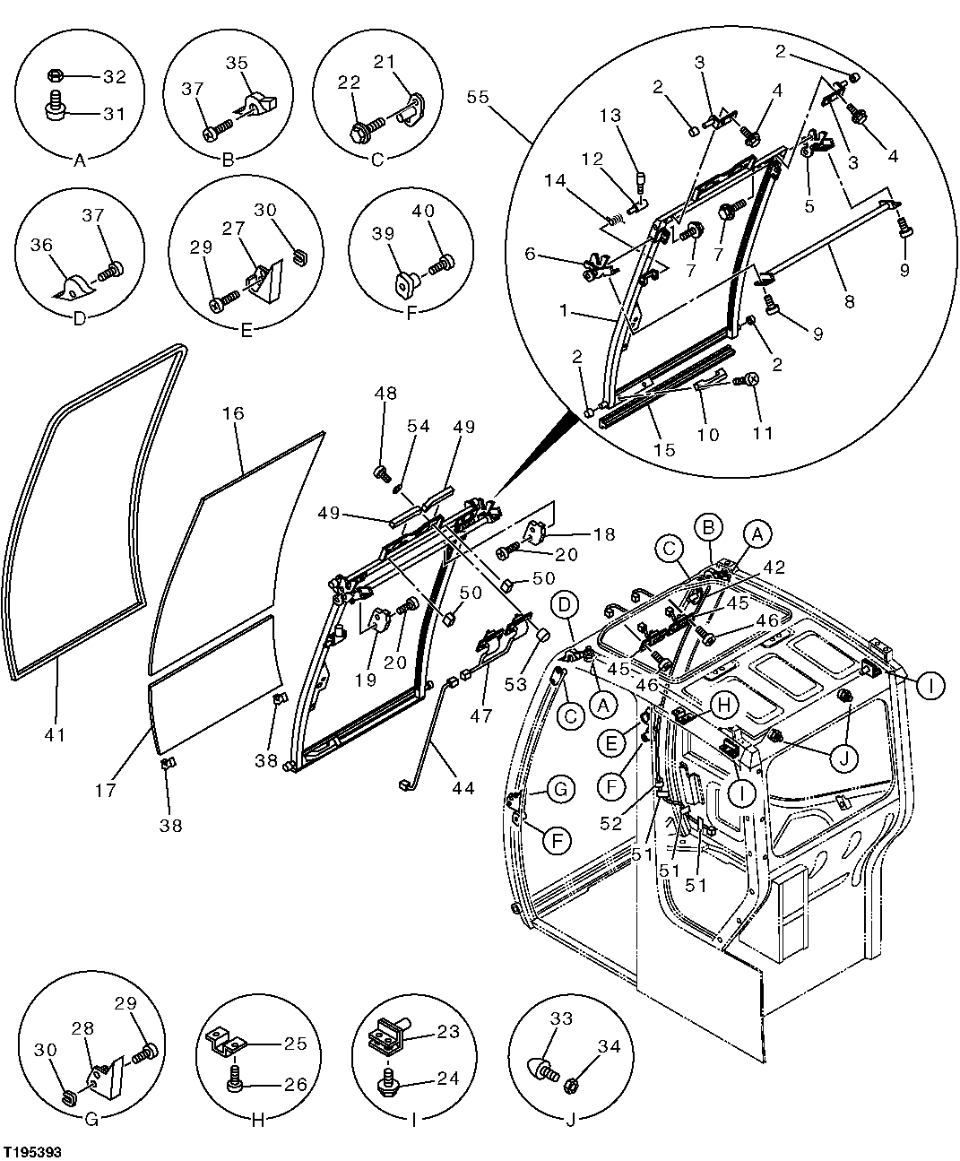
1

4463856

Frame

1шт.

2

4463857

Guide

4шт.

3

4688441

Bracket

(SUB FOR 4463858)

2шт.

4

4463859

Bolt

4шт.

5

4463860

Lock

1шт.

6

4463861

Lock

1шт.

7

4463859

Bolt

4шт.

8

4463863

Grip

1шт.

9

4463864

Screw

4шт.

10

4463942

Grip

1шт.

11

4463943

Screw

1шт.

12

4463944

Pin Fastener

1шт.

13

4463945

Lever

1шт.

14

4463946

Spring

1шт.

15

4463949

Weatherstrip

1шт.

16

4457160

Windowpane

1шт.

17

4457161R

Windowpane

1шт.

18

4463862

Cover

1шт.

19

4463913

Cover

1шт.

20

4463914

Screw

4шт.

21

4463915

Striker

2шт.

22

4463859

Bolt

4шт.

23

4463917

Striker

2шт.

24

4463918

Bolt

4шт.

25

4463919

Bracket

1шт.

26

4463914

Screw

2шт.

27

4463732

Isolator

1шт.

28

4463733

Isolator

1шт.

29

4463734

Screw

4шт.

30

4463735

Clip

4шт.

31

4463916

Stop

2шт.

32

4463920

Nut

2шт.

33

4463921

Isolator

2шт.

34

4463920

Nut

2шт.

35

4463947

Isolator

1шт.

36

4463948

Isolator

1шт.

37

4463914

Screw

2шт.

38

4463682

Isolator

2шт.

39

4463736

Isolator

2шт.

40

4463737

Screw

2шт.

41

4463941

Weatherstrip

1шт.

42

4464386

Wiring Harness

1шт.

44

4464388

Wiring Harness

1шт.

45

4464389

Switch

2шт.

46

4464256

Screw

4шт.

47

4464385

Switch

1шт.

48

4463737

Screw

4шт.

49

4464390

Isolator

2шт.

50

4464391

Isolator

2шт.

51

4461947

Tape

3шт.

52

4464382

Isolator

1шт.

53

4464392

Cap

4шт.

54

4464787

Washer

4шт.

55

4466871

Frame

1шт.

56

4618252

Spacer

Goes On Upper Roller Of Windshield -Us es The 17MM Long Spacer Not Illustrated

2шт.

57

4614046

Spacer

Goes On Lower Roller Of Windshield -Use s The 13.5MM Long Spacer Not Illustrated

2шт.

Выбрано товаров: 0