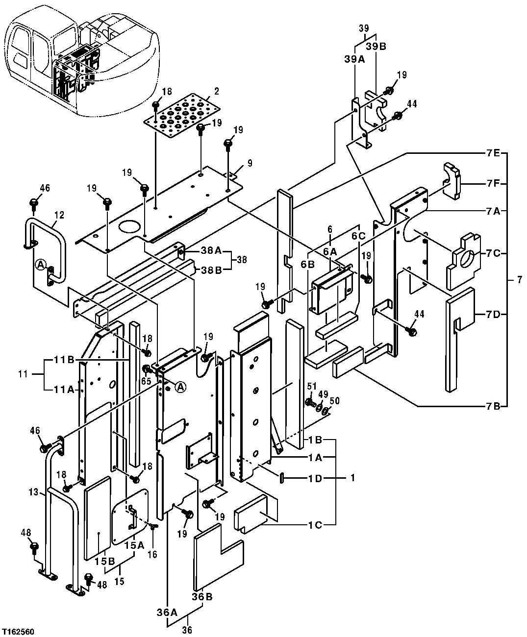
Запчасти John Deere 35D 138 - Cooling Package Compartment Front Panel And Front Cover 1910 HOOD OR ENGINE ENCLOSURE

Схема запчастей John Deere 35D - 138 - Cooling Package Compartment Front Panel And Front Cover 1910 HOOD OR ENGINE ENCLOSURE
FIT
1:1
100%

Артикул

Название

Примечание

Количество

1

8083270

Cover

1шт.

1A

7040021

Cover

1шт.

1B

4450534

Isolator

1шт.

1C

4450535

Isolator

1шт.

1D

4453654

Isolator

1шт.

2

3092334

Cover

1шт.

6

8083241

Cover

1шт.

6A

Cover

7040016 NLA

1шт.

6B

4450118

Isolator

1шт.

6C

4454687

Isolator

1шт.

7

Cover

7039976 NLA

1шт.

7A

Cover

7040020 NLA

1шт.

7B

4450470

Isolator

1шт.

7C

4450476

Isolator

1шт.

7D

4450479

Isolator

1шт.

7E

4450481

Isolator

1шт.

7F

4454689

Isolator

1шт.

9

7040028

Cover

1шт.

11

7040410

Cover

1шт.

11A

Cover

7040034 NLA

1шт.

11B

4454685

Isolator

1шт.

12

8083233

Handrail

1шт.

13

7043879

Latch

SUB FOR 7040019

1шт.

15

8083826

Cover

1шт.

15A

Cover

8083825 NLA

1шт.

15B

4453060

Isolator

1шт.

16

21M1690

Wing Screw

M6 X 16 SUB FOR M360614

4шт.

18

19M7662

Cap Screw

M10 X 30 SUB FOR J021030

8шт.

12M7066

Lock Washer

10 mm

1шт.

24M7028

Washer

10.500 X 20 X 2 mm

1шт.

19

19M7662

Cap Screw

M10 X 30 SUB FOR J031030

14шт.

12M7067

Lock Washer

12 mm

1шт.

24M7346

Washer

11 X 20 X 2 mm

1шт.

36

7040205

Cover

1шт.

36A

Cover

6019918 NLA

1шт.

36B

4453061

Isolator

1шт.

38

8084194

Cover

1шт.

38A

Cover

8083305 NLA

1шт.

38B

4454686

Isolator

1шт.

39

8084173

Cover

1шт.

39A

Cover

4450783 NLA

1шт.

39B

4454688

Isolator

1шт.

44

19M7402

Cap Screw

M10 X 25 SUB FOR J031025

4шт.

12M7066

Lock Washer

10 mm

4шт.

24M7296

Washer

10.500 X 30 X 2.500 mm

4шт.

46

Screw With Washer

J031230 NLA

3шт.

19M8011

Cap Screw

M12 X 30

3шт.

24H1748

Washer

1/2" X 1-1/4" X 0.105"

3шт.

12M7067

Lock Washer

12 mm

3шт.

48

19M7872

Cap Screw

M12 X 25 SUB FOR J031225

4шт.

12M7067

Lock Washer

12 mm

4шт.

24M7180

Washer

13 X 37 X 3 mm

4шт.

49

12H294

Lock Washer

5/8" SUB FOR A590916

1шт.

50

24M7053

Washer

17 X 30 X 3 mm SUB FOR A590116

1шт.

51

19M8035

Cap Screw

M16 X 35 SUB FOR J921635

1шт.

65

19M8011

Cap Screw

M12 X 30 SUB FOR J021230

2шт.

12H301

Lock Washer

1/2"

2шт.

24M7047

Washer

13 X 24 X 2.500 mm

2шт.

Выбрано товаров: 58