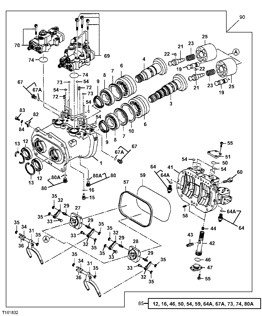
Запчасти John Deere 35D 210 - HYDRAULIC PUMP COMPONENTS 3361 HYDRAULIC PUMP

Схема запчастей John Deere 35D - 210 - HYDRAULIC PUMP COMPONENTS 3361 HYDRAULIC PUMP
FIT
1:1
100%

Артикул

Название

Примечание

Количество

1

Gear Case

1026679 NLA, ORDER 1032319, 2043207, 2043 211, 4410050 (2), 4339171 (2), 4622945 (2)

1шт.

1032319

Housing

1шт.

3

2036807

Disk

1шт.

2043207

Drive Disk

1шт.

4

2036808

Disk

1шт.

2043211

Drive Disk

1шт.

6

4337419

Cylindrical Roller Bearing

2шт.

4410050

Spherical Roller Bearing

2шт.

7

4348182

Ring

2шт.

4339171

Ring

2шт.

8

4337483

Cylindrical Roller Bearing

2шт.

4622945

Spherical Roller Bearing

2шт.

9

4178173

Nut

2шт.

10

4330054

Thrust Washer

1шт.

12

T225266

Seal

SUB FOR AT213847 OR 4333170

2шт.

13

4116290

Snap Ring

2шт.

15

4233165

Fitting

1шт.

16

M800650

Packing

1шт.

19

8059452

Piston

14шт.

21

4337035

Shaft

2шт.

22

4198956

Pin Fastener

2шт.

23

4179181

Compression Spring

2шт.

25

2036744

Rotor

2шт.

27

2036795

Flow Control Hyd. Valve

1шт.

28

2036786

Flow Control Hyd. Valve

1шт.

29

4179179

Dowel Pin

4шт.

31

3075674

Link

2шт.

32

9724756

Lever

4шт.

33

4179177

Dowel Pin

4шт.

34

4179176

Dowel Pin

2шт.

35

CH17951

Ring

12шт.

36

4200227

Dowel Pin

2шт.

41

1028267

Cylinder Head

1шт.

42

3069541

Piston

2шт.

43

4338053

Pin

2шт.

44

4337812

Set Screw

2шт.

46

4355085

O-Ring

2шт.

47

4338060

Stop

2шт.

50

4355083

O-Ring

SUB FOR 0444001

2шт.

51

4338061

Cover

2шт.

54

CH11560

Packing

20шт.

55

19M8439

Screw

M8 X 25

16шт.

57

3070581

Packing

1шт.

58

34M7061

Spring Pin

8 X 20 mm

2шт.

59

4342840

O-Ring

1шт.

60

19M8341

Screw

M12 X 45

12шт.

64

4436271

Sensor

Pump Pressure

2шт.

64A

4365826

O-Ring

1шт.

67

9134110

Fitting

2шт.

67A

M800650

Packing

1шт.

69

9198935

Regulator

Pump 2

1шт.

70

9198936

Regulator

Pump One

1шт.

72

34M3845

Spring Pin

4 X 10 mm

4шт.

73

4343074

O-Ring

4шт.

74

4348665

O-Ring

2шт.

80

9134111

Fitting

2шт.

80A

CH11570

O-Ring

13.800 X 2.400 mm (0.543" X 3/32")

1шт.

82

4252767

Bracket

1шт.

83

0209423

Bolt

1шт.

84

Washer

12M7065 NLA

1шт.

85

4451039

Seal Kit

1шт.

90

9201020

Hydraulic Pump

Contains All Items On This Page - Addit ional Components Listed On Previous Page

1шт.

Выбрано товаров: 62